EasyManua.ls Logo

RAS MULTIBEND 9000 - Page 143

Default Icon
263 pages
Print Icon
To Next Page IconTo Next Page
To Next Page IconTo Next Page
To Previous Page IconTo Previous Page
To Previous Page IconTo Previous Page
Loading...
2
5
4
3
KI
/7.1
K3
I IEV-
K2
.2
6
I
7
K6f
RC
-t
ti
rl
:.1
f,e
at
K3
RC
K2
RC
--l
I
I
.2
33 31
53
50
50
2?
6l
K34
/il.6
R
BFF LL
VERZ
OEGERU
IlG
K LEI'll'lE
IlTT BRUECKE
I
-
2=25 6mS
Z- 3=5 00
mS
OHNE . BRUtCKt=100m5
XI
X5
6S
60
46
46
KI
/7.7
33
34
K3
.2
SI
/2.4
lr
K
a
C
.2
XI 69
{a
X4
HI
X5
XI
IFOLDII.lC
BERII
DOI{N
5a
RC
RIat
y.4
K4
80
5l
13t4,
->.4
24-32
,z.z
33134-
'1!')r.,
t3 t1
u4-rn
n-1,-y
iY;
oo
ffi,
6!-.:-*$
uj-:a
s.b+--c?
.3
/t3.2
,?
/tg.B
t3
.
t,t
.--
z6jja
33!r{
.i'110
d
t3,t1
,ffi,
3l!34
o?(10
/?.1
/13,t
r7,7
UPPER BtRIl
CLOSE
t3
l,l
2I
3
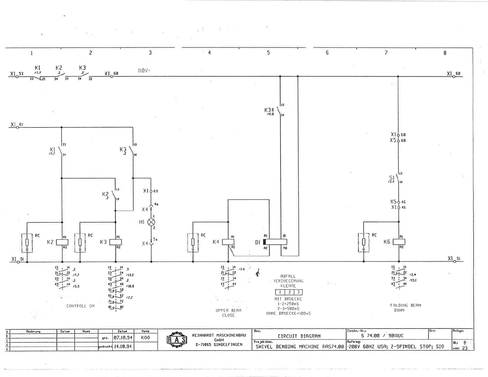
SHIVEL BENDING MRCHINE
RF574.OO
.208v
60HZ USH; 2-SPINDEL 5T0P; SI0
s
74.A8
/
golluc
CIRCUIT DIBGRRM
?lchn.-l{r.!Eet.
REINHFRDT
MFSCHINTNBRU
GmbH
D-7IA65 SINDELFIN6EN
-4.
IRASI
-Gff-
Nroc
K00
0atuil
a7.10,94
t4.t6.94
gcr.
NahrB:tun
Anderunq
COIIIROLL
ON
ll.:
I

Related product manuals