EasyManua.ls Logo

RAS MULTIBEND 9000 - Page 146

Default Icon
263 pages
Print Icon
To Next Page IconTo Next Page
To Next Page IconTo Next Page
To Previous Page IconTo Previous Page
To Previous Page IconTo Previous Page
Loading...
?
3
4
7
I
6
5
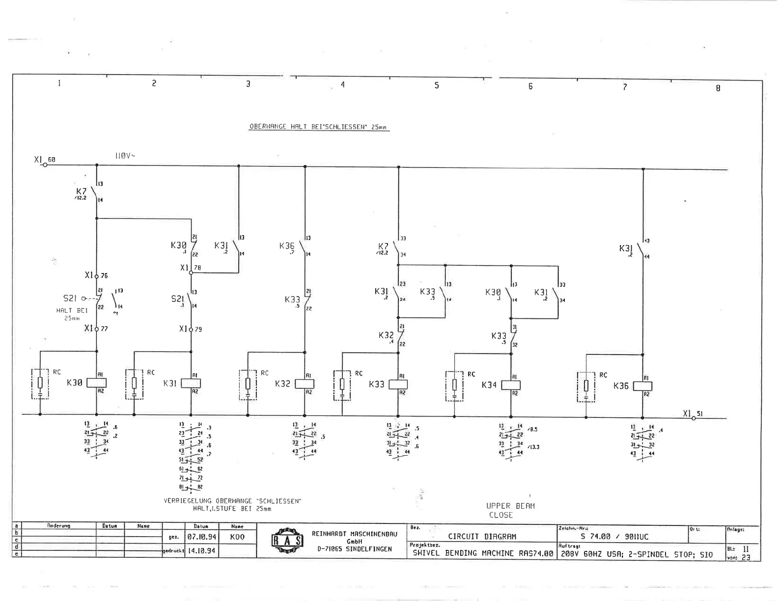
0BERI'lFl.jGE
HHLT
BEI'SCHLIESSEIt'
25mm
XI
60
ll8V"
K35
RC
K34
RC
K33
f
RC
-t
ti
_.!
K32
RC
K3l
-l
Rc
K30
RC
K7
/t2.2
S2l
o"-
HFiL T
ET I
Z5m
m
K30
.t
K3t
XI
S2
XI
79
FI
1l
3{
t3
l{
t3
l4
K36
.7
K7
/
t2.2
K3t
K3t
.2
78
XI 76
tl
lt
\
!3
3{
rl
t,l
/8.5
/13.1
t!,11
,ffi2
33ll{
-
_+-
t3i{{
-
-i-
a1
a3
.3
.5
.6
,?
.6
K33
K3A
K3l
.2
K33
.t
.5
22
77
nt{
its, *
3l'34
,iv;
oo
rKt
5b.l--!.?
tSa3a
8b-i--q?
t3,11
'ffi,.,
33
t.
34
-
-:-
13r14
--r
31r-lJz
.t
4:lcr
--r
K33
.5
I
UPPER EIRII
cL0sr
K32
.1
t3;
t1
X
5t
13
|
t{
,ffit
33!31
oits, o,
.5
.{
13,ta
,6fi2
r!+i-Jr
,{
--1-
VTRRTEGELUNG
OBER'.IRNGE'SCHLIESSEN'
HBLT,I.STUFE
Btl
25nn
s
74.@A
/
SAltuC
t!
268V 6AHZ
USfl;
Z-SPINDEL
5T0P;
510
Ruft.rgl
CIRCUIT NIRGRRM
Eaa.
SNIVEL
BENDING HRCHINE
RRS74.AO
REINHfi RDT ITRSCHININBRU
GnbH
D-7I865
SINOELFINGEN
-4,
IRASI
td
N.tr"
K00
0.tutr
47.1a.94
l4.l a.94
gcr.
Nroc0atun
ndnrunq

Related product manuals