EasyManua.ls Logo

RAS MULTIBEND 9000 - Page 215

Default Icon
263 pages
Print Icon
To Next Page IconTo Next Page
To Next Page IconTo Next Page
To Previous Page IconTo Previous Page
To Previous Page IconTo Previous Page
Loading...
e
1
5
I
7
6
9
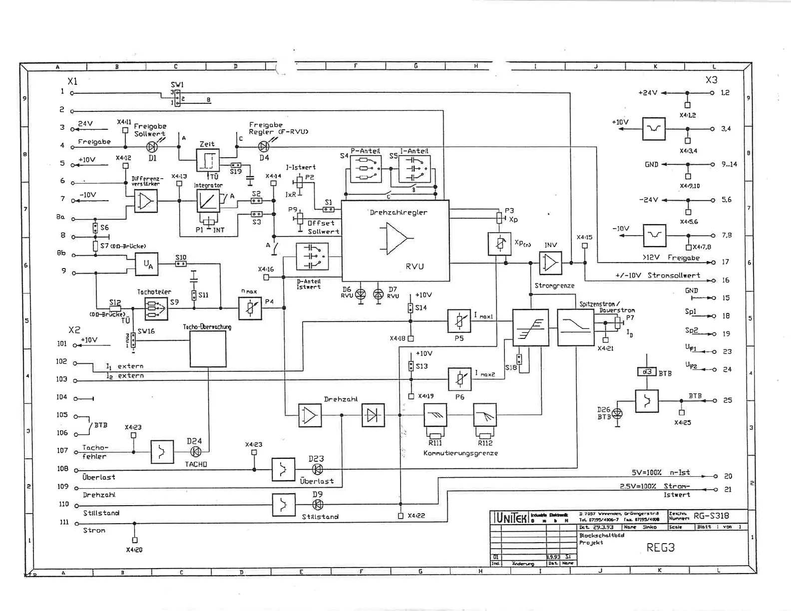
RG-S318
REG3
t{ ltwaGt
ta !t193lan
ht*ffi
O.lX
Blockschqltbild
ProJekl
J
4
7
9
I
G
H
X1
X3
svt
I
?
3
4
A
c
+10v
-l0v
+24V
GNI)
-?4V
xa'Le
X4t34
x419.10
x,t,5,6
1.?
3,4
9...14
5.6
7,8
?4V
Ot+
X4rll
Frelgobe
Sotlw
Fre;gobe
e
+lOV
rr
x4rle
Frergo
Regter
be
(F-RVU)
D4
I-lstrert
X4'14
??
s2
Zet+
D1
!ifferenz-
v?Btfrkr
S4
X4'13
6
-
-lov
I
ot
9
XE
lol
o-:l!)a-
l0a
103
104
o-----{
105
106
107
108
109
110
ul
A
IxR
P9
Ed
gb
s1
0ffset
Sol[wert
De3
0bertost
D9
X4'7,8
Stnongrenze
X4r!5
Spitzenstron
/
x4r?l
De6
>lEV F
+/-l0V
Stronsothert
17
l5
l5
Dquprstnon
6Ni)
l--€
sP-l--ro
re
sPE-----e
19
uPl----o
as
ure*-o
aq
3TB
a5
(0
P7
ID
a
I
extern
BTB
x4,?3
Tocho-
Obertost
Drehzohl
Strtlstond
BTB
o.r
J
X4:aj
D?4
TACHD
X4,23
?0
?r
lstxPrt
E
L
--
f
\
{
{
Xp
P3
XP<n>
INV
xtl'19
p6
R!12
Konnutterungsgrenze
JF-
t^
+10v
s]3
_Ej
-E\
-G<
Drehzohtregter
RVU
-tF
x4'18
P5
Drehzoh[
I
"qxt
T7
RVU
D6
RVU
+10v
sl4
D-Ant?tl
Istr?Ft
\
/
\
/
r
V
rT
lt
UA
Tlcho-[berrochuq
sv16
s11
s1
I
Tochoteiten
s9
n
nox
A
P4
X4'16
JJ
s6
S7 <oo+ruct<a)
Stnon
X,lP0
Stittstond
xaQ?

Related product manuals