EasyManua.ls Logo

RAS MULTIBEND 9000 - Page 228

Default Icon
263 pages
Print Icon
To Next Page IconTo Next Page
To Next Page IconTo Next Page
To Previous Page IconTo Previous Page
To Previous Page IconTo Previous Page
Loading...
0
age
01
47
of
page
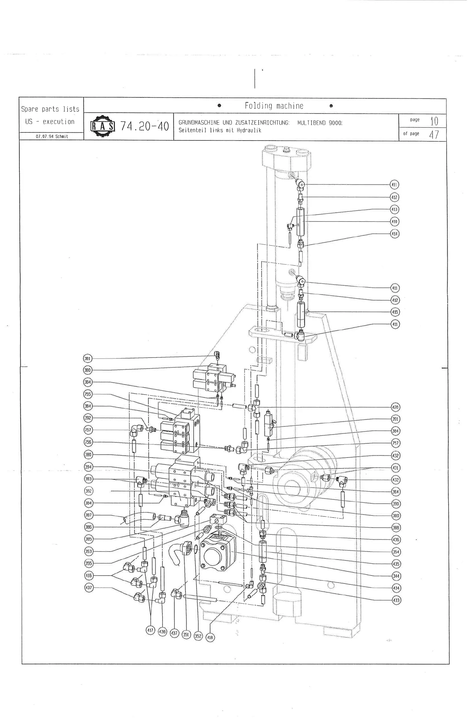
GRUNOMASCHiNE
UNO
ZUSATZEiNHICHIUNG: MULTIBENO
9OOO
Seitenteil
links
mit Hydnaulik
7
4 20-40
Fo
1d
j
ng rndch
i ne
o
a
07.07,94 Schmit
@
It
.:J
_-___J
-LlL--a
I
g)
{}!
Spare
parts
lists
US
-
execution

Related product manuals