EasyManua.ls Logo

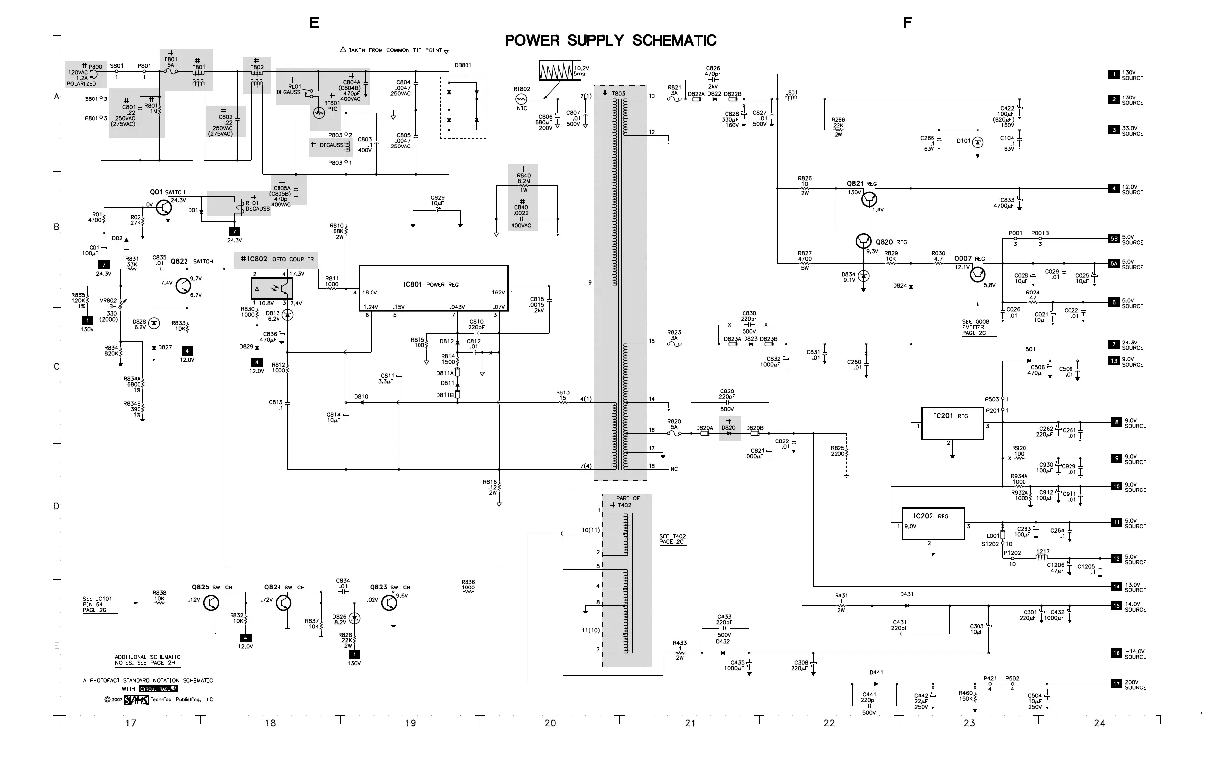
RCA 27V412TYX8 - Power Supply Schematic (Section E); B+ Regulation; Power Supply Schematic (Section F); IC801 Power Regulator

RCA 27V412TYX8
16 pages
Print Icon
To Next Page IconTo Next Page
To Next Page IconTo Next Page
To Previous Page IconTo Previous Page
To Previous Page IconTo Previous Page
Loading...
Page 2 SET 5303
PHILIPS MODEL 32PT5441/37 (CHASSIS L04.1UAA)

Related product manuals