EasyManua.ls Logo

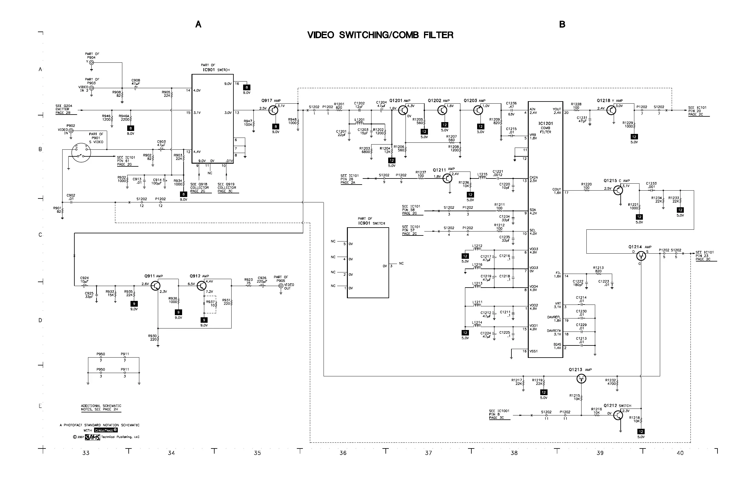
RCA 27V412TYX8 - Video Switching;Comb Filter (Section A); Video Input Switching; Comb Filter Circuitry; Video Switching;Comb Filter (Section B)

RCA 27V412TYX8
16 pages
Print Icon
To Next Page IconTo Next Page
To Next Page IconTo Next Page
To Previous Page IconTo Previous Page
To Previous Page IconTo Previous Page
Loading...
Page 3 SET 5303