EasyManua.ls Logo

Refleks 66M - Central Heating Integration; Operation and Maintenance; Stove Regulator Function

Refleks 66M
12 pages
Print Icon
To Next Page IconTo Next Page
To Next Page IconTo Next Page
To Previous Page IconTo Previous Page
To Previous Page IconTo Previous Page
Loading...
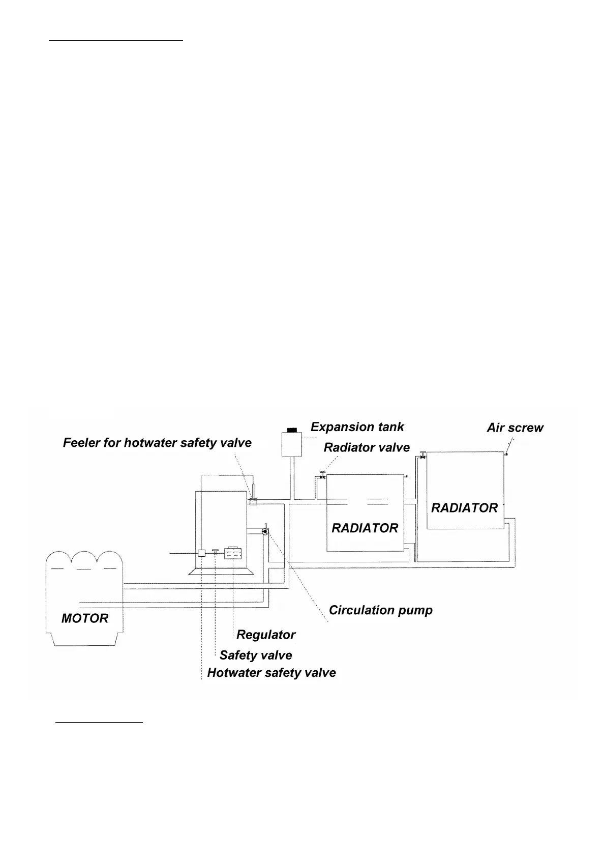
9. CENTRAL HEATING UNIT
The instructions for installing a stove with a central heating coil are the same
as for the basic unit. The central heating system should be installed as a two-
line system. (see drawing).
SYSTEM WITHOUT CIRCULATION PUMP RUN
To obtain the necessary circulation of hot water, the hot water pipes should rise
approx. 5 cm (2”) per 100 cm (39”) rum.
SYSTEM WITH CIRCULATION PUMP
The circulation pump is installed on the return pipe to the stove. (see drawing).
EXPANSION TANK
All systems should be installed with an expansion tank close to the stove on the
hot water side of the system. The tank must be the highest part of the heating
system. (see drawing).
HOT WATER SAFETY VALVE
The central heating system should be fitted with a hot water over heating safety
valve, so that any over heating of the system will shut off fuel oil supply. (see
drawing).
In the event of the hot water over heating safety valve being tripped, the system
must first cool down, whereby the safety valve can be reset by pressing the reset
button on the cut off unit on the fuel line.
THE CENTRAL HEATING SYSTEM SHOULD BE PROTECTED AGAINST FROST DAMAGE BY THE USE OF
A SUITABLE ANTI-FREEZE.
A frozen system must never be ignited.
10. THE REGULATOR
The regulator is the heart of the oil stove. It controls the flow of fuel oil to
the burner. There are 3 tapped connections in the bottom of the regulator for 8
mm copper pipe. (See sketch).
Overflow should be connected to a waste oil tank which should be placed at a
lower level than the regulator. Under conditions of bad weather and heavy seas

Related product manuals