EasyManua.ls Logo

Reflex iC60N - Page 39

Reflex iC60N
44 pages
Print Icon
To Next Page IconTo Next Page
To Next Page IconTo Next Page
To Previous Page IconTo Previous Page
To Previous Page IconTo Previous Page
Loading...
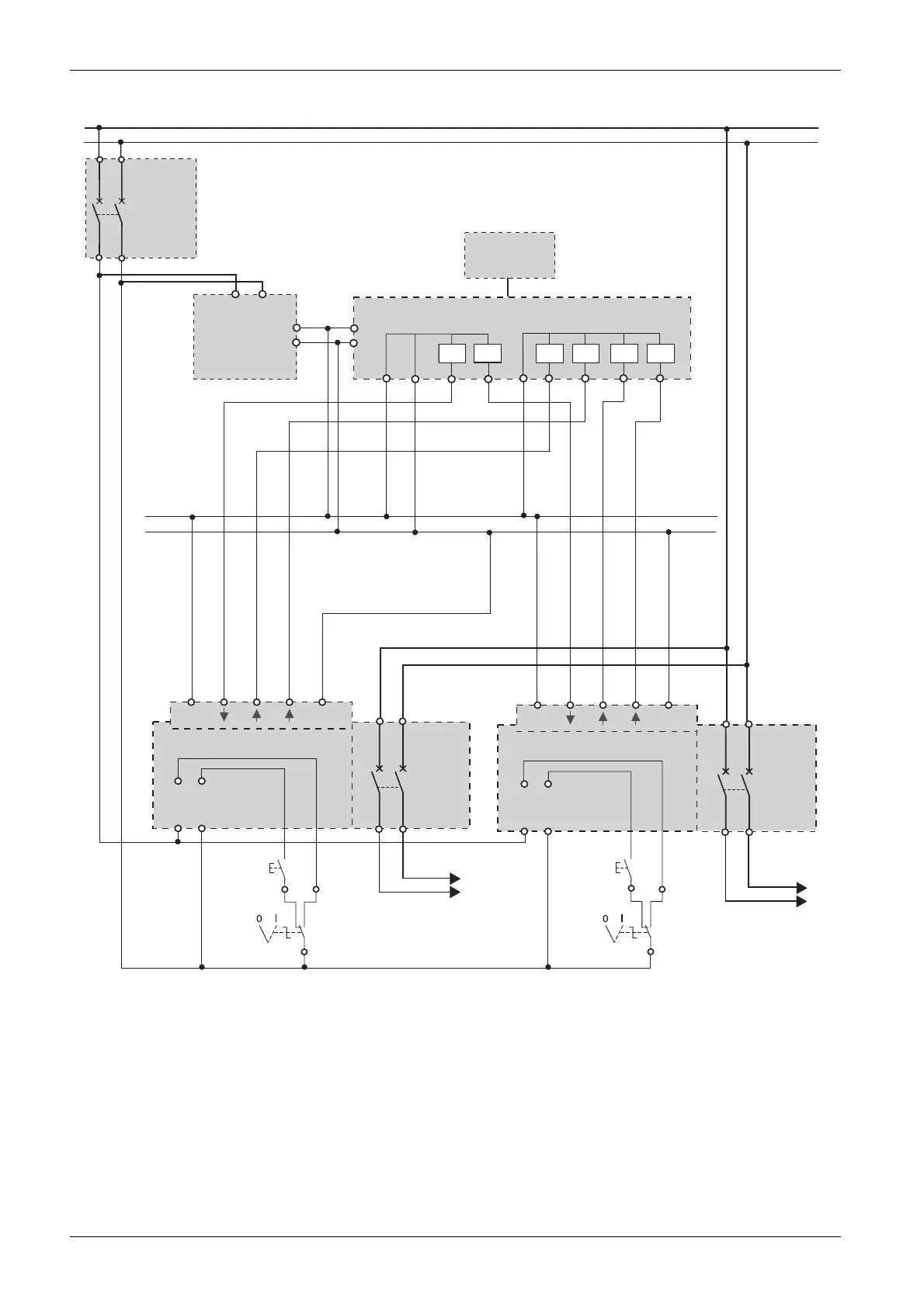
Application examples
A9MA03EN 02/2012 39
Manual Auto
2
4
iC60N
Q1
PLC: Twido
Power supply
ABL8
230 VAC/
24 VDC
0 V
N
P
NP
24 V c
0 V
Ti24
Y1 Y2
1
Manual Auto
2
4
Supervisory
control system
N
P
24 V 0 V
Outputs
Inputs
24 V
Y3
0 VO/C
Q3
Reflex
iC60
Mode 3
Floor 1
lighting
Floor 2
lighting
$&
24 V
c
0 V
ISSW1
1
ISSW2
13
24
13
42
O1 O2 I1 I2 I3 I4
NP
Ti24
Y1 Y2
24 V
Y3
0 VO/C
Q2
Reflex
iC60
Mode 3
$&
13
42
auto/
OFF
auto/
OFF