EasyManua.ls Logo

Reliance Controls PB30 - Page 2

Default Icon
2 pages
Print Icon
To Previous Page IconTo Previous Page
To Previous Page IconTo Previous Page
Loading...
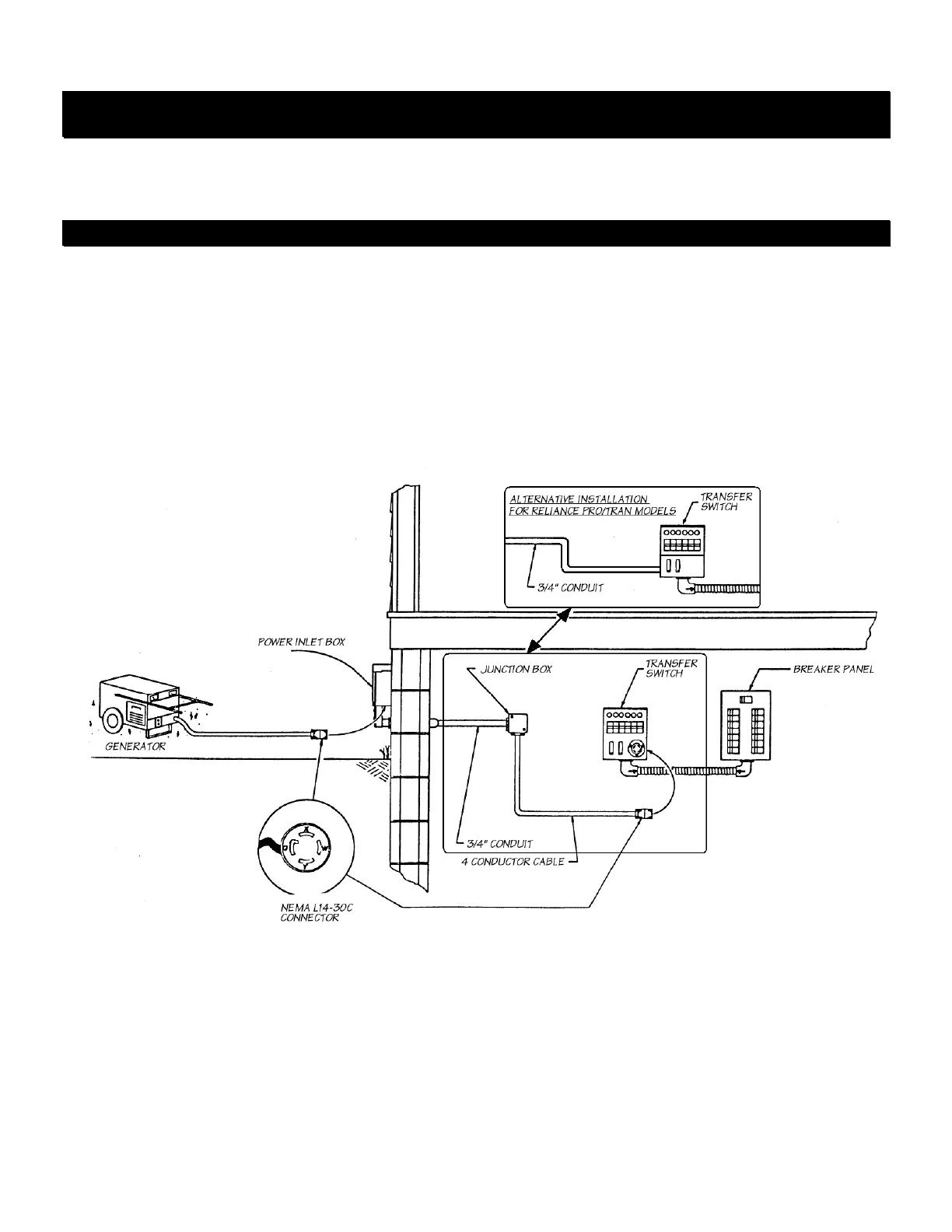
INSTALLING A REMOTELY LOCATED POWER INLET BOX FOR CONNECTION DIRECTLY TO A
HARD-WIRE TRANSFER SWITCH OR PANEL:
Installation will generally be as described above, except that the wiring can be run directly to the transfer switch or
panel. Wire connections are to be made at the transfer switch or panel according to manufacturer's instructions.
PREPARING A CORD FROM THE GENERATOR TO THE POWER INLET BOX:
Using a 4-conductor 30 Amp. portable cord suitable for the purpose, attach a male plug matching the configuration of
the generator outlet (typically a NEMA Type L14-30P) to one end, and a NEMA Type L14-30C connector (which
will mate with the power inlet in the power inlet box) to the opposite end.
Following the wiring device manufacturer's instructions, wire the generator plug and the L14-30C connector as
follows:
Red and black wires to the brass terminals marked "X" and "Y".
White wire to the nickel-plated neutral terminal marked "W".
Green wire to the green ground terminal marked "G".
RELIANCE CONTROLS CORPORATION / 2001 YOUNG COURT / RACINE, WI 53404 / (262) 634-6155
9-8/14