EasyManua.ls Logo

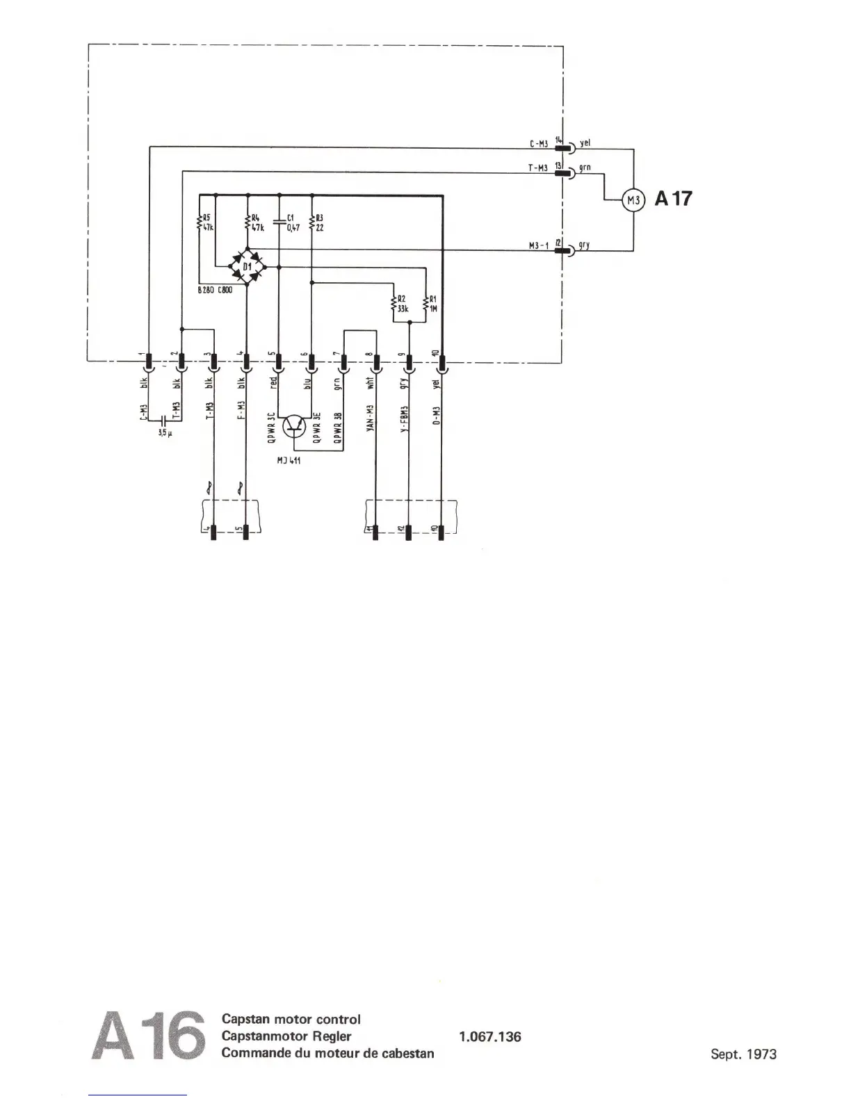
Revox A700 - Capstan Motor Control; Motor Drive Circuit Schematic

Revox A700
36 pages
Print Icon
To Next Page IconTo Next Page
To Next Page IconTo Next Page
To Previous Page IconTo Previous Page
To Previous Page IconTo Previous Page
Loading...
STEAM POWERED RADIO.COM