EasyManua.ls Logo

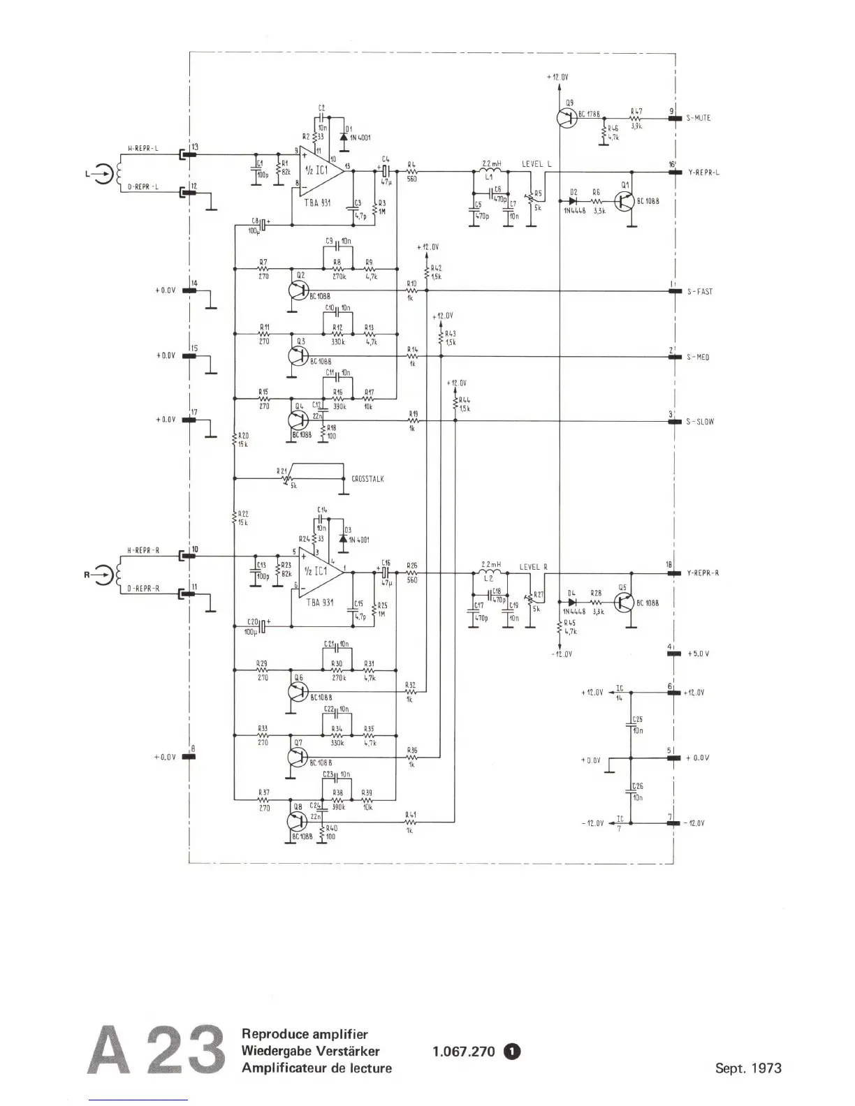
Revox A700 - Reproduce Amplifier Circuit; Playback Signal Amplification Details

Revox A700
36 pages
Print Icon
To Next Page IconTo Next Page
To Next Page IconTo Next Page
To Previous Page IconTo Previous Page
To Previous Page IconTo Previous Page
Loading...
STEAM POWERED RADIO.COM