EasyManua.ls Logo

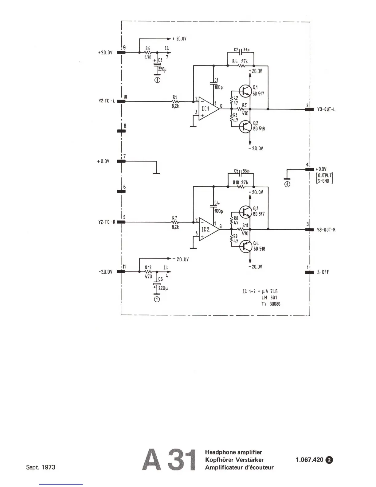
Revox A700 - Headphone Amplifier Circuit; Headphone Audio Output Circuitry

Revox A700
36 pages
Print Icon
To Next Page IconTo Next Page
To Next Page IconTo Next Page
To Previous Page IconTo Previous Page
To Previous Page IconTo Previous Page
Loading...
STEAM POWERED RADIO.COM