EasyManua.ls Logo

Rheem RIDH07AVFJ - 5. Wiring Diagrams

Rheem RIDH07AVFJ
328 pages
To Next Page IconTo Next Page
To Next Page IconTo Next Page
To Previous Page IconTo Previous Page
To Previous Page IconTo Previous Page
Loading...
- 57 -
MULTI TYPE
2, 3, 4 ROOMS TYPE
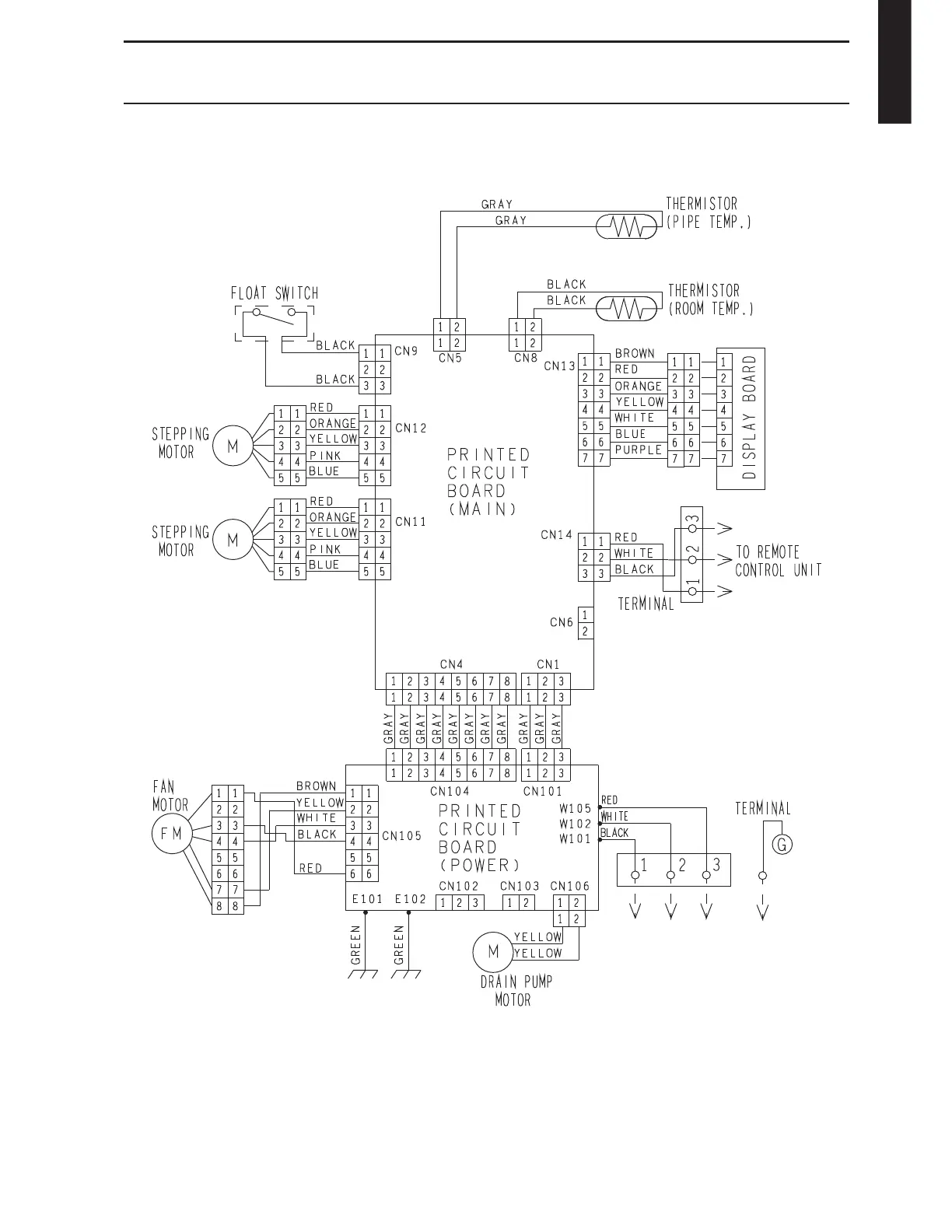
5. Wiring diagrams
5-1. Compact cassette type
Models: RICH7AVFJ, RICH9AV
FJ, RICH12AVFJ, and RICH18AVFJ

Table of Contents

Related product manuals