EasyManua.ls Logo

Ricatech RMC150 - Page 14

Ricatech RMC150
29 pages
Print Icon
To Next Page IconTo Next Page
To Next Page IconTo Next Page
To Previous Page IconTo Previous Page
To Previous Page IconTo Previous Page
Loading...
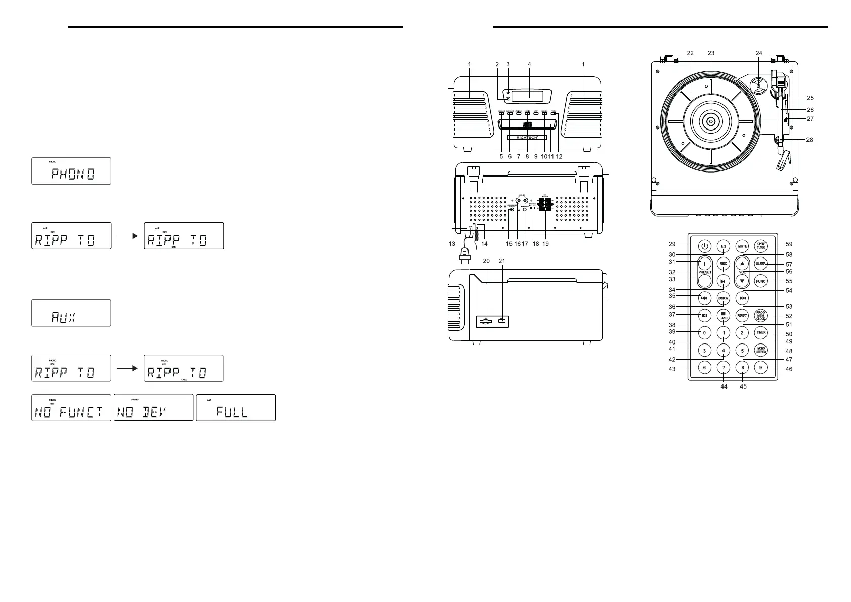
CONTROLES DE L’APPAREIL
1. HAUT-PARLEUR
2. VOYANT
3. VOYANT DE STANDBY
4. ECRAN LCD
5. Bouton OPEN/CLOSED
6. Bouton PLAY/PAUSE
7. Bouton STOP/BAND
8. Bouton RETOUR ARRIERE/-
9. Bouton SAUTER AVANT/+
10. Bouton FONCTION
11. PORTE DU CD
12. Bouton POWER/STANDBY
13. CABLE ELECTRIQUE
14. ANTENNE EXTERNE
15. CONNECTEUR SUBWOOFER
16. CONNECTEUR D’ENTREE AUX
17. CONNECTEUR ECOUTEURS
18. INTERRUPTEUR HAUT-PARLEUR INT/EXT
19. CONNECTEUR HAUT-PARLEUR EXTERNE
20. FENTE POUR SD
21. PORT USB
22. TOURNEDISQUES
23. AXE
24. ADAPTATEUR POUR DISQUES DE 45 RPM
25. LEVIER ELEVATEUR
26. BRAS
27. INTERRUPTEUR DE CONTROLE DE VITESSE
28. SUPPORT DU BRAS
EMPLACEMENT DES CONTROLES
CONTROLES DE LA TELECOMMANDE
29. Bouton POWER/STANDBY
30. Bouton EQ
31. Bouton PRESET+
32.Bouton RECORD
33. Bouton PRESET-
34. Bouton PLAY/PAUSE
35. Bouton RETOUR/ARRIERE/-
36. Bouton RANDOM
37. Bouton ID3
38. Bouton STOP/BAND
39. Bouton 0
40. Bouton 1
41. Bouton 3
42. Bouton 4
43. Bouton 6
44. Bouton 7
45. Bouton 8
46. Bouton 9
47. Bouton 5
48. Bouton MONO/STEREO
49. Bouton 2
50. Bouton TIMER
51. Bouton REPEAT
52. Bouton PROGRAM
53. Bouton SAUT AVANT/+
54. Bouton VOLUME
55. Bouton FONCTION
56. Bouton VOLUME+
57. Bouton SLEEP
58. Bouton MUTE
59. Bouton CD OPEN/CLOSE
25
FRANCAIS
Copie r MP3
1. En mode C-MP3, USB ou carte SD, pressez REC (32) pour commencer à copier MP3 à partir d un CD sur USB/SD ou de
USB sur SD, ou viceversa. La lecture s’arrêtera et le système recherchera les contenus du USB/carte SD et créera un dossier
pour conserver la piste MP3.
2. L’icône “REC” apparaîtra.
3. Le message COPY 01 apparaîtra avec un pourcentage de copie en nombre décimal.
4. L’icône du dispositif correspondant (“USB” o “CARD”) clignotera et le nombre augmentera à partir de y el número irá 01 jusqu’à
atteindre 100.
5. Le MP3 actuel será lu depuis le début.
De Phono à SD/US B
Ce système peut convertir le signal audio de l’entrée du tournedisques en format MP3 et stocker un dispositif de stockage massif
USB ou carte SD (par défaut USB si les deux dispositifs sont connectés).
1. Pressez FONCTION (10/55) pour régler l’appareil en mode PHONO.
2. Pressez REC (32) pour démarrer le rippage, le système recherchera le contenu du USB/carte SD et créera un dossier pour
stocker les pistes en MP3.
3. L’icône “REC” et le message “RIPP TO” s’afficheront à l’écran et l’icône “PHONO” clignotera.
4. L’icône du dispositif correspondant ("USB” o "CARD”) commencera à clignoter dès le debut du rippage.
5. Pressez STOP (7/38) pour sortir de cette fonction.
De AUX à SD/USB
Ce système peut convertir le signal audio de l’entrée AUX au format MP3 et le stocker dans un dispositif de stockage USB ou
carte SD (par défaut USB si les deux dispositifs sont connectés).
1. Pressez une ou plusieurs fois FONCTION (10/55) pour sélectionner AUX
2. Pressez REC (32) pour démarrer le rippage, le système recherchera le contenu du USB/carte SD et créera un dossier pour
stocker les pistes en MP3.
3. L’icône “REC” et le message “RIPP TO” s’afficheront à l’écran et l’icône “AUX” clignotera.
4. L’icône du dispositif correspondant ("USB” o "CARD”) commencera à clignoter dès le début du rippage.
5. Pressez STOP (7/38) pour sortir de cette fonction.
Remarque : le message “NO FUNCT” s’affichera lorsque vous presserez n’importe quel bouton pendant le processus de
rippage AUX. Le message “NO DEV” s’affichera lorsqu’il ne détectera ni l’ USB ni la carte SD. Le message “FULL” s’affichera
s’il n’y a plus assez de mémoire vive dans le dispositif sélectionné.
Effa c e r Des p is te s d e MP3
Le système permet d’effacer les pistes en MP3 enregistrées antérieurement ou déjà existantes.
1. En mode USB ou SD, maintenez pressé REC (32) pendant 2 secondes, la lectura de la piste actuelle s’arrêtera et s’effacera.
Le message “delete” apparaîtra.
HAUT-PARLEURS EXTERNES EN OPTION
1. Avec votre nouvelle radio vous avez l’option de connecter des haut-parleurs externes.
2. Les connecteurs pour haut-parleurs externes (19) se situent sur la partie arrière de la radio.
3. A côté du connecteur il y a un interrupteur avec 2 options : Int. / Ext. (18)
Lorsque vous utilisez des haut-parleurs externes, cet interrupteur doit être sur la position EXT. Il désactive alors les haut-parleurs
internes et redirige la puissance vers les haut-parleurs externes.
4. Si vous décidez de ne pas utiliser de haut-parleurs externes; assurez-vous que l’interrupteur soit sur INT.
32
FRANCAIS

Related product manuals