EasyManua.ls Logo

Riello 854T4 - Page 75

Riello 854T4
88 pages
Print Icon
To Next Page IconTo Next Page
To Next Page IconTo Next Page
To Previous Page IconTo Previous Page
To Previous Page IconTo Previous Page
Loading...
73
20152192
GB
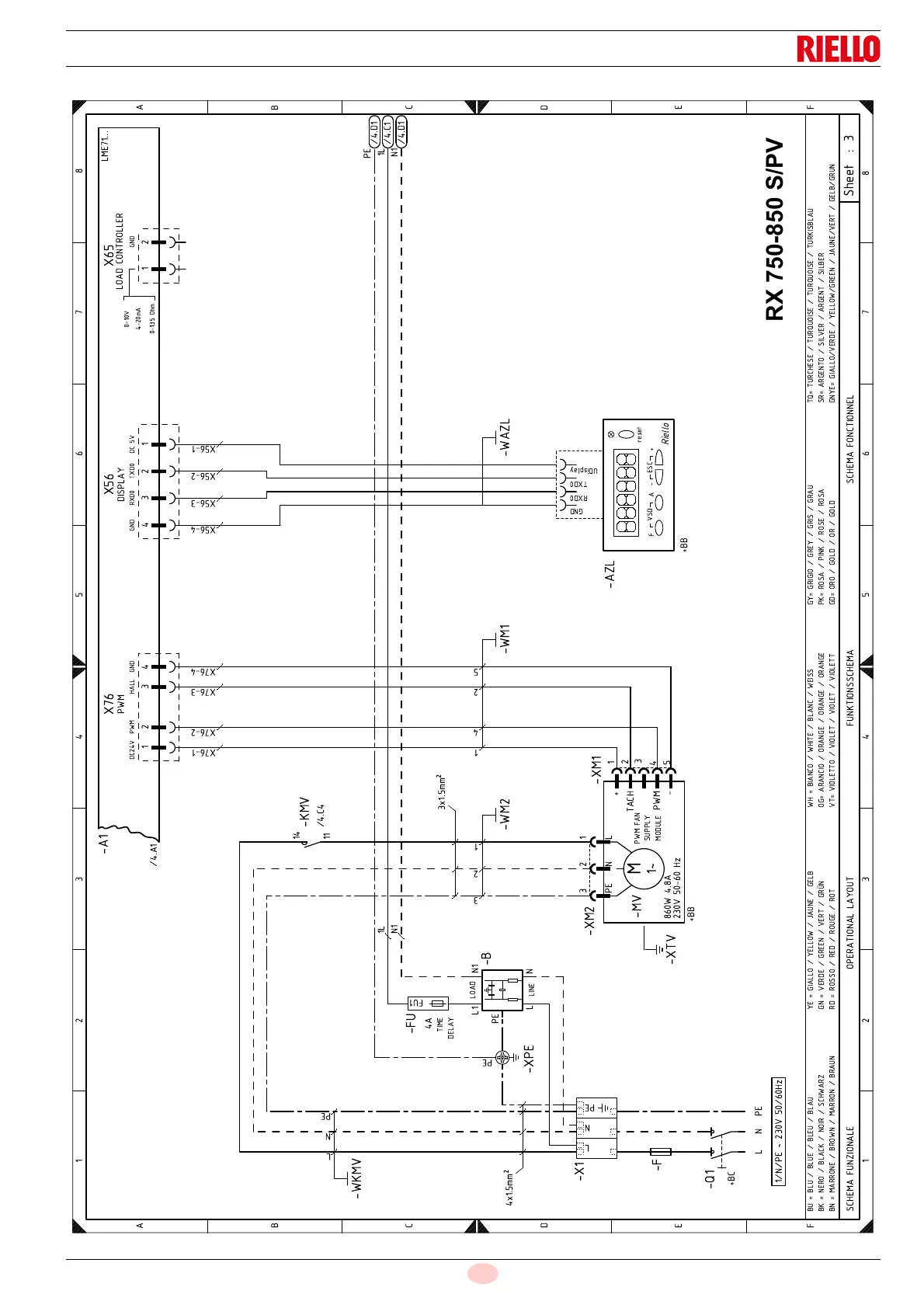
Appendix - Electrical panel layout
















 
 



!
!
 "#$%# %&$%#'% #$%# "  "%# $%##
()**+

#
,#,--,-".
/
#
#





 #
#


#

/
#
/
 "

-)
---".

,) 



()**+
)))
 
,)

%! %#&%&
!$'




/

&0112




,)!

,) 
#
,)!
3,,,
3#&%, ,#%$&, "&
'34$%,'%,5#,4
4#3&!,4&#,&,4&6#
&!3&%%,&!,&%4,&%
"3$# %,"$,# ,$
%43&# $%,%&#4,%&#4,%&#4
3$%%,$%,$%,$%
4'34&$4$%,4&',4&$,4&
3&%,$#,&%,&%
4!3%&%,4%!,%&,4%!
3& ",&%$,&%$,&$
&3&4#%,$&,&4#,$&
4#'34$%,&!,'%,4&#,5#,&,4,4&##3&&%#,&%#,&&%#,&#
$
!'
$#
%!
#
'
%!
! 4#! &!- !-!  4#! " 4#!
-*
-%*
--
! 
/
78
4#!
&!-
!-
!0891:;
RX 750-850 S/PV

Table of Contents

Related product manuals