EasyManua.ls Logo

Riello 854T4 - Page 80

Riello 854T4
88 pages
Print Icon
To Next Page IconTo Next Page
To Next Page IconTo Next Page
To Previous Page IconTo Previous Page
To Previous Page IconTo Previous Page
Loading...
20152192
78
GB
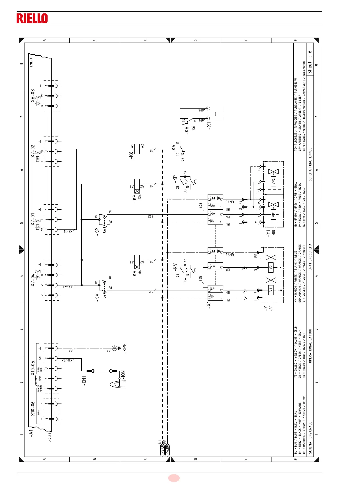
Appendix - Electrical panel layout


   
















 
 












 !"# $%##!% !%   %#

&'

&'
# '''
   
&'
(
'






(
 
!


)










*








 (

!


)










*














 




!+#!&#!&#!&#!
+$&#&$&,$"
+)##&##,&-!&)#
)+$&)$&$%&)$.
$+$&$&$!)&$%
,+&,%&#&,
)+$&$)&$)&$)
%+#%%&#%&#%&#%%
)+)$)&)$&)$&)$!
+$&&$&$
)+$&)#&$&)#
%/+%!$&%!$/!&%!$/!&%!$#!
$+$)%&#$&$)%&#$
)+)##&$&##,&)$&-!&$%&)#&)$!+ $$&$,& $$&$!
,$/$''''
)
/$''''

     
)# /$''''
   




  

Table of Contents