EasyManua.ls Logo

Ritter Ultimate - Page 15

Ritter Ultimate
76 pages
Print Icon
To Next Page IconTo Next Page
To Next Page IconTo Next Page
To Previous Page IconTo Previous Page
To Previous Page IconTo Previous Page
Loading...
15
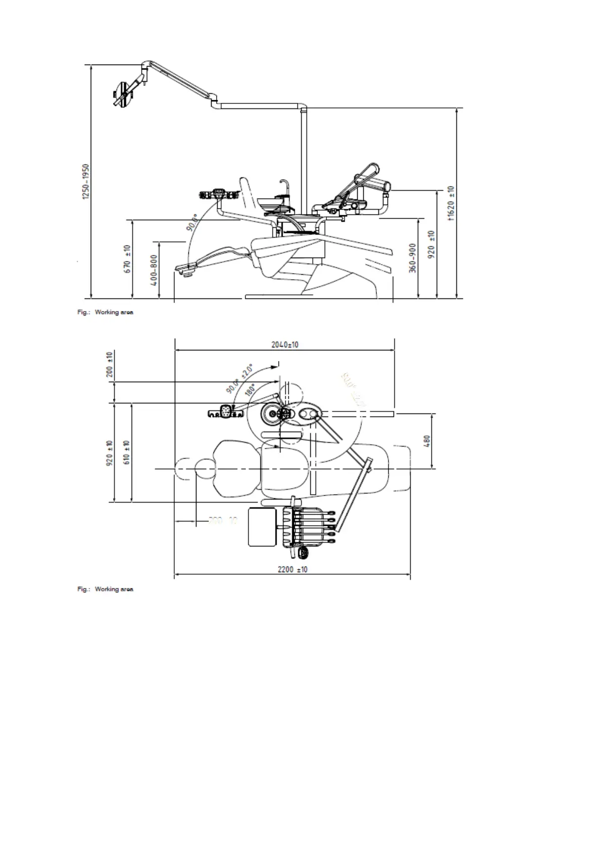
Рис: Рабочая зона