EasyManua.ls Logo

Roban Airwolf Compactor - Page 62

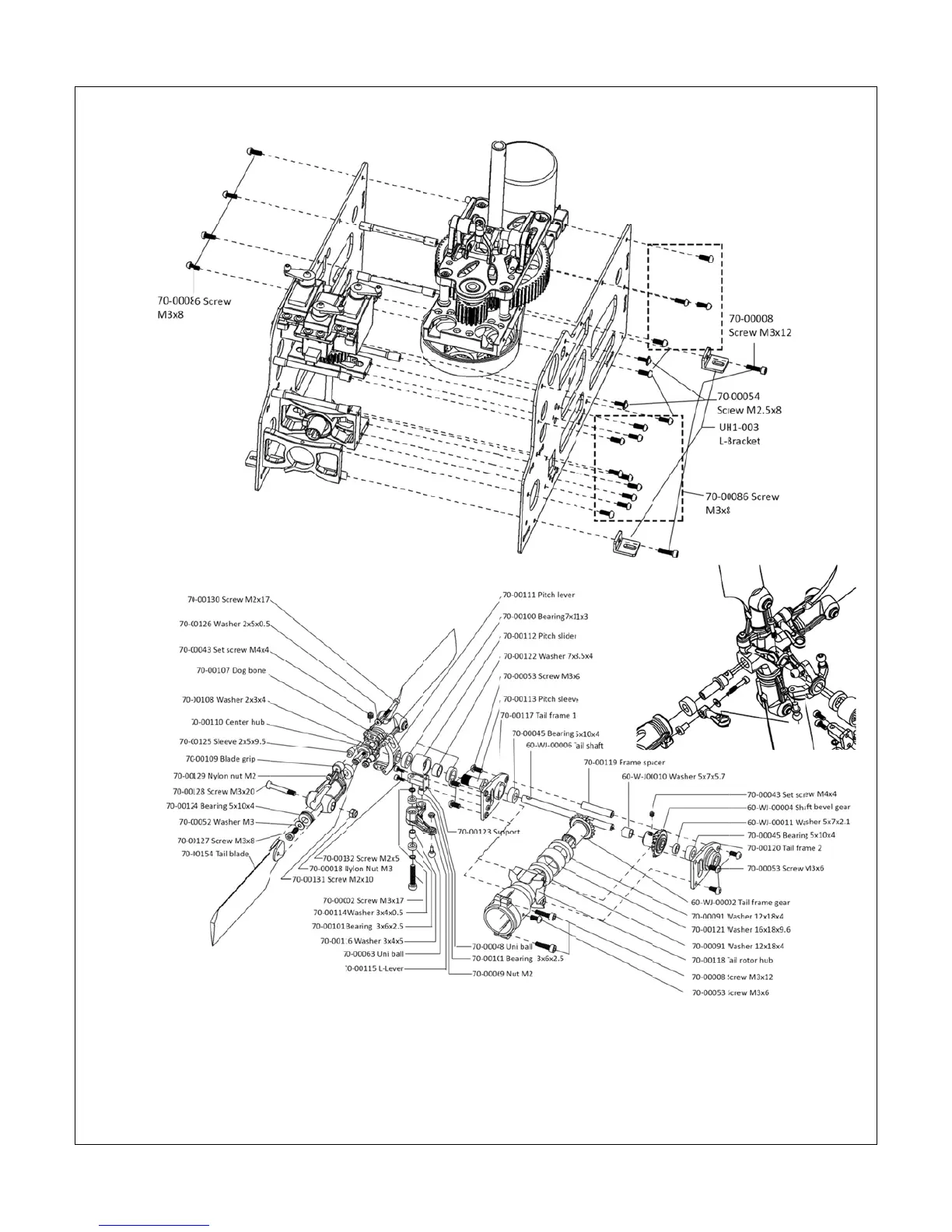
Roban Airwolf Compactor
73 pages
Print Icon
To Next Page IconTo Next Page
To Next Page IconTo Next Page
To Previous Page IconTo Previous Page
To Previous Page IconTo Previous Page
Loading...
Cop
yright@201
3
3
- Roban Li
m
m
ited – All ri
g
g
hts reserve
d
d

Related product manuals