EasyManua.ls Logo

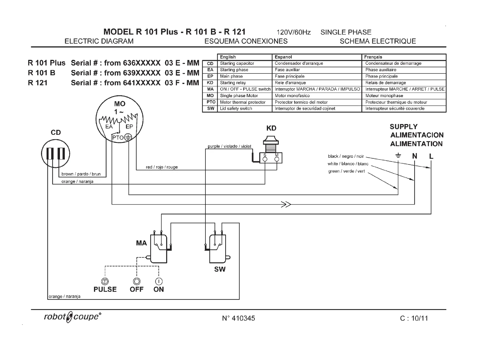
Robot Coupe R 101 - Electrical Diagrams; Wiring Diagram for R 101 Plus;B;121

Robot Coupe R 101
19 pages
Print Icon
To Next Page IconTo Next Page
To Next Page IconTo Next Page
To Previous Page IconTo Previous Page
To Previous Page IconTo Previous Page
Loading...
36

Other manuals for Robot Coupe R 101

Related product manuals