EasyManua.ls Logo

Robot 400 - Page 27

Robot 400
31 pages
Print Icon
To Next Page IconTo Next Page
To Next Page IconTo Next Page
To Previous Page IconTo Previous Page
To Previous Page IconTo Previous Page
Loading...
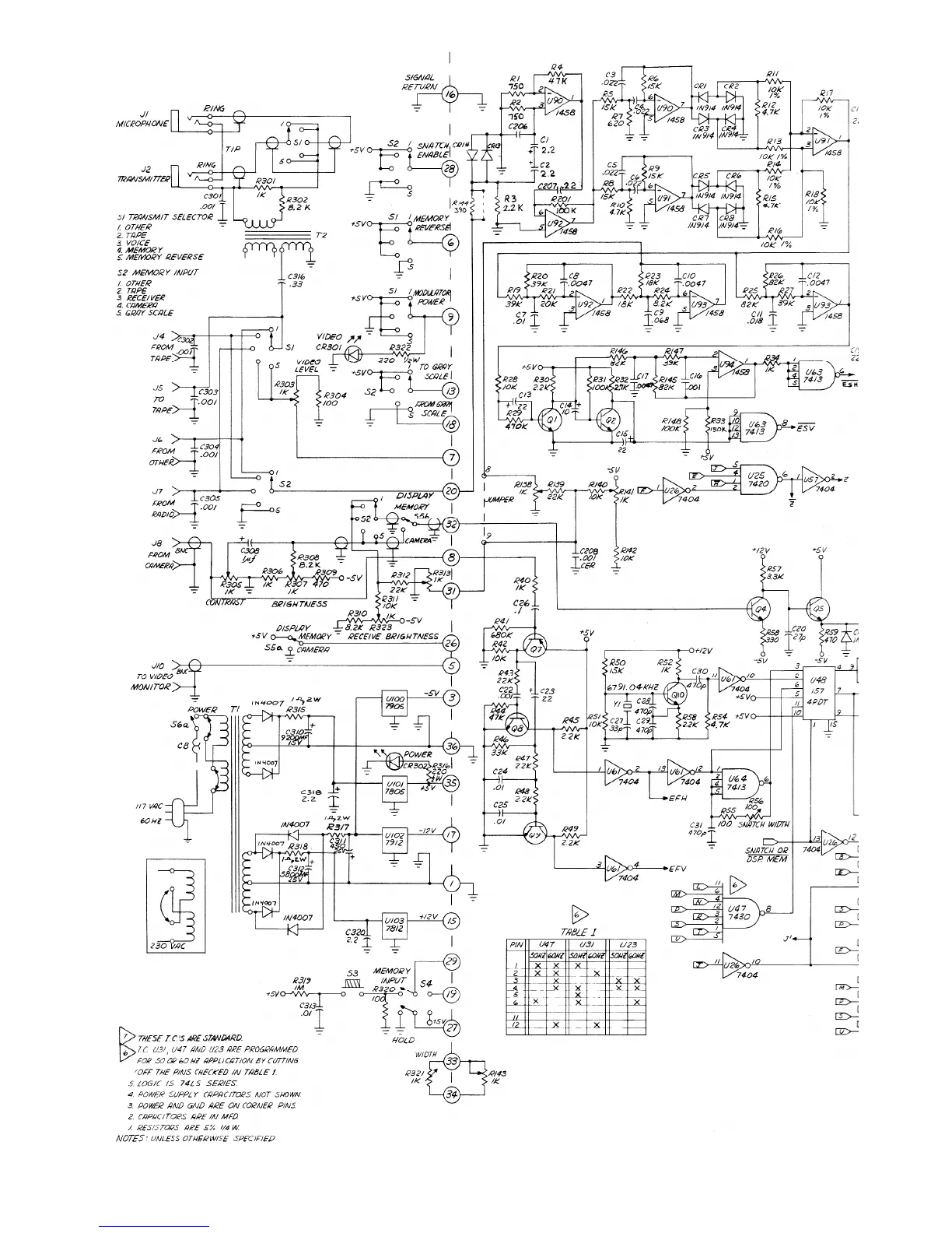
Schematc, Left Section