EasyManua.ls Logo

Roxy SHIBU DIGITAL - Page 36

Default Icon
74 pages
Print Icon
To Next Page IconTo Next Page
To Next Page IconTo Next Page
To Previous Page IconTo Previous Page
To Previous Page IconTo Previous Page
Loading...
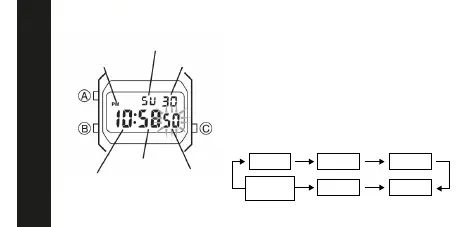
RÉGLAGE DE L’HEURE
Minutes
Heures
Indicateur PM
(après-midi)
Jour
Jour de la semaine
Réglage de l’heure et de la date
1. Utilisez (B) pour entrer dans le mode
de réglage de l’heure.
- Les chiffres des secondes clignotent
car ils sont sélectionnés.
2. Appuyez sur (A) pour changer de
sélection dans l’ordre suivant :
Secondes
Seconde Heures
Jour de la
semaine
Jour
Minutes
Mois

Related product manuals