EasyManua.ls Logo

Rubi DC-250 PYTHON - Page 27

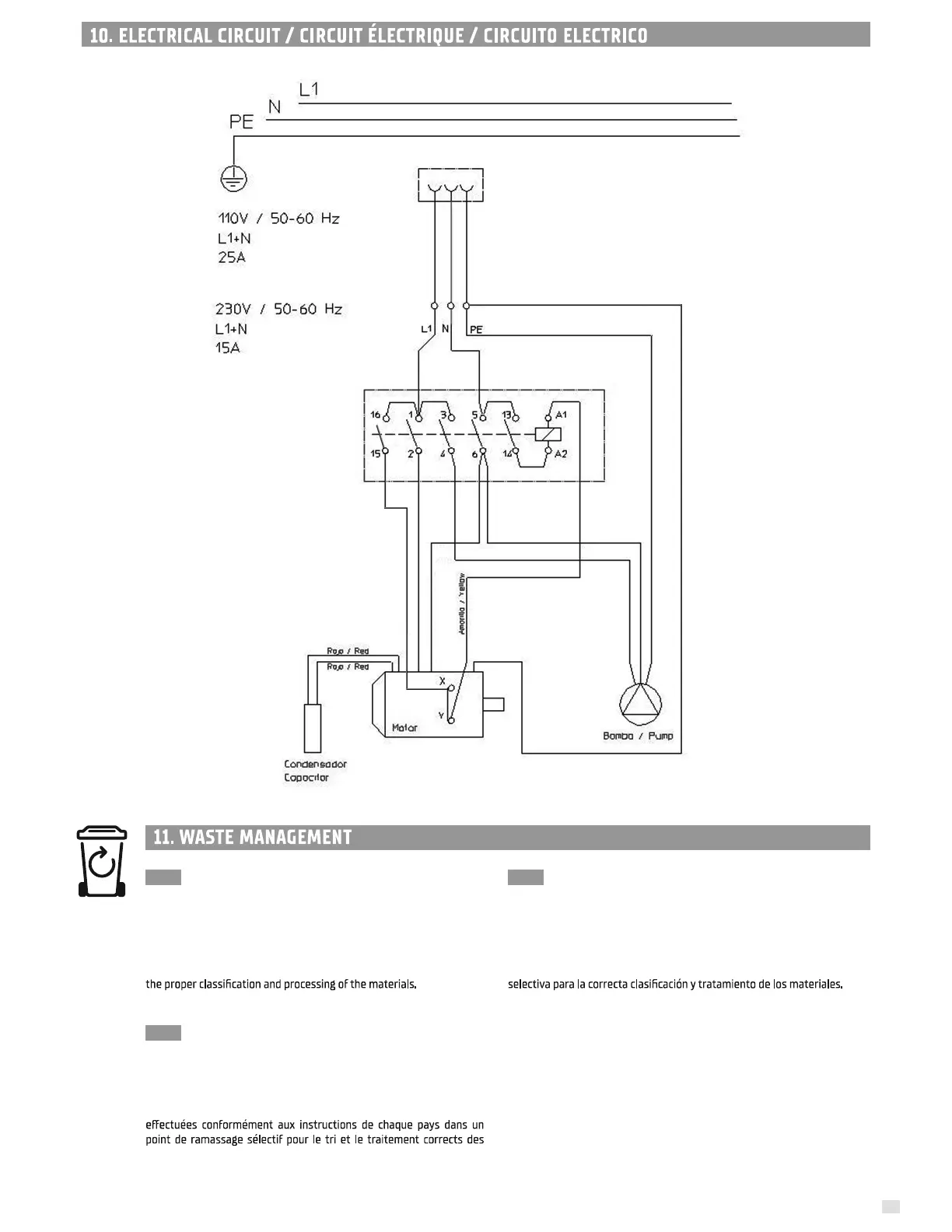
Rubi DC-250 PYTHON
28 pages
Print Icon
To Next Page IconTo Next Page
To Next Page IconTo Next Page
To Previous Page IconTo Previous Page
To Previous Page IconTo Previous Page
Loading...
- 27 -
EN
STORAGE
Store the tool in its packaging in a cool, dry place protected against cold
and direct sunlight.
WASTE MANAGEMENT
The machine must be put out of service and dismantled in accordance
with the instructions in each country, at a selective collection point for
ES
ALMACENAMIENTO
Guarde su herramienta dentro de su embalaje en un lugar fresco, seco y
protegido del frío y la luz solar directa.
GESTIÓN DE RESIDUOS
La puesta fuera de servicio y desguace de la herramienta deberá realizarse,
de acuerdo con las instrucciones de cada país, en un punto de recogida
FR
STOCKAGE
Rangez l’appareil dans son emballage d’origine, dans un endroit frais,
sec et à l’abri du froid et du soleil direct.
LA GESTION DES DÉCHETS
La mise hors service et la mise au rebut de la machine doivent être
matières.

Related product manuals