EasyManua.ls Logo

RUKO 1601PRO - Page 26

RUKO 1601PRO
36 pages
Print Icon
To Next Page IconTo Next Page
To Next Page IconTo Next Page
To Previous Page IconTo Previous Page
To Previous Page IconTo Previous Page
Loading...
1601 PRO User Manual
Copyright ©2021 Ruko All Rights Reserved.24
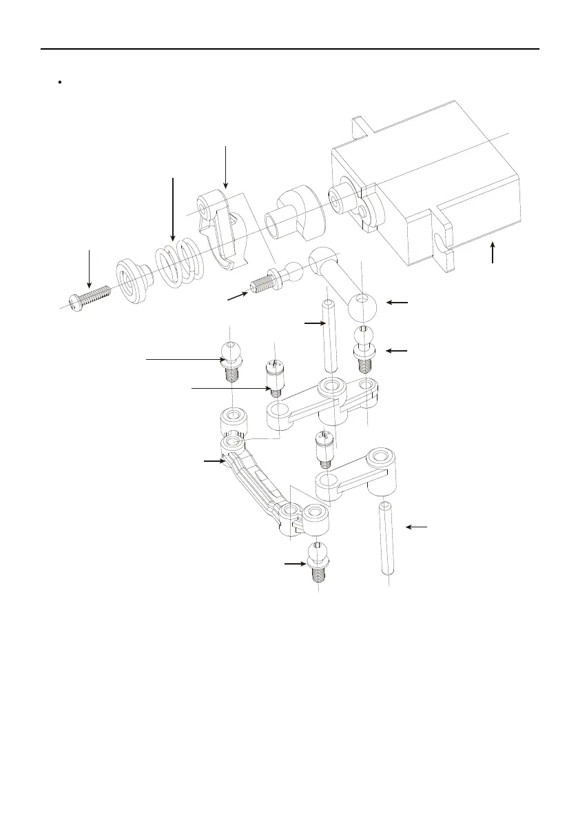
Steering system components
1601-057
1601-030
1601-030
1601-007
1601-032
1601-033
1601-024
1601-033
1601-048
1601-019
1601-031
1601-019
1601-024

Related product manuals