EasyManua.ls Logo

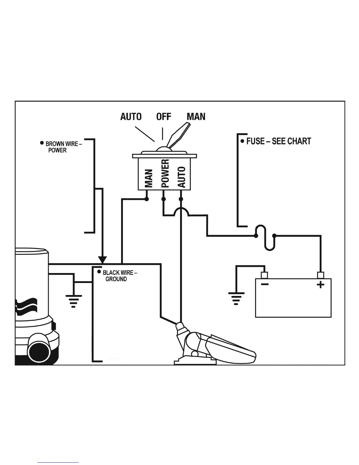
Rule 49 - System Wiring Overview

Rule 49
7 pages
Print Icon
To Previous Page IconTo Previous Page
To Previous Page IconTo Previous Page
Loading...
Standard Bilge Pump
Instruction Manual
Standard Bilge Pump
Instruction Manual
Standard Bilge Pump
Instruction Manual
Standard Bilge Pump
Instruction Manual
Standard Bilge Pump
Instruction Manual