EasyManua.ls Logo

S4A TF1 - Special Power Supply Diagram; Reader Mode Wiring Diagram

Default Icon
10 pages
Print Icon
To Next Page IconTo Next Page
To Next Page IconTo Next Page
To Previous Page IconTo Previous Page
To Previous Page IconTo Previous Page
Loading...
- 4 -
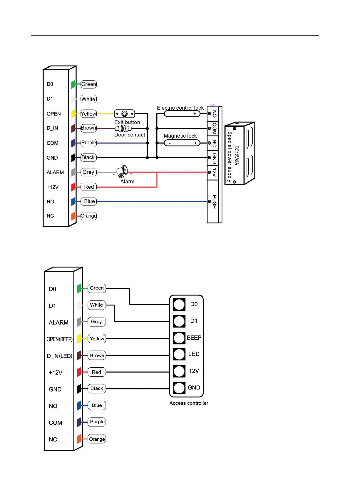
6.2 Special Power Supply
Note: The door contact and alarm function are optional
6.3 Reader Mode