EasyManua.ls Logo

Saba CSP 380 - Page 7

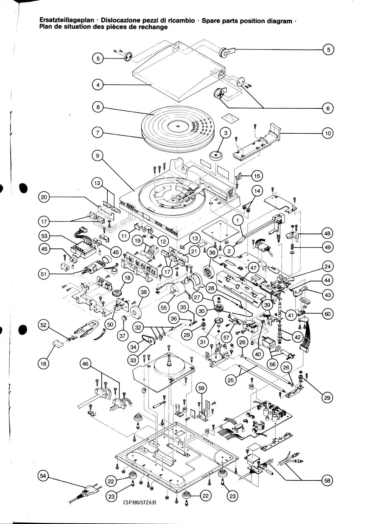
Saba CSP 380
10 pages
Print Icon
To Next Page IconTo Next Page
To Next Page IconTo Next Page
To Previous Page IconTo Previous Page
To Previous Page IconTo Previous Page
Loading...
pare
parts
position
diagram
-
Ersatzteillageplan
-
Dislocazione
pezzi
di
ricambio
-
S
Plan
de
situation
des
piéces
de
rechange