EasyManua.ls Logo

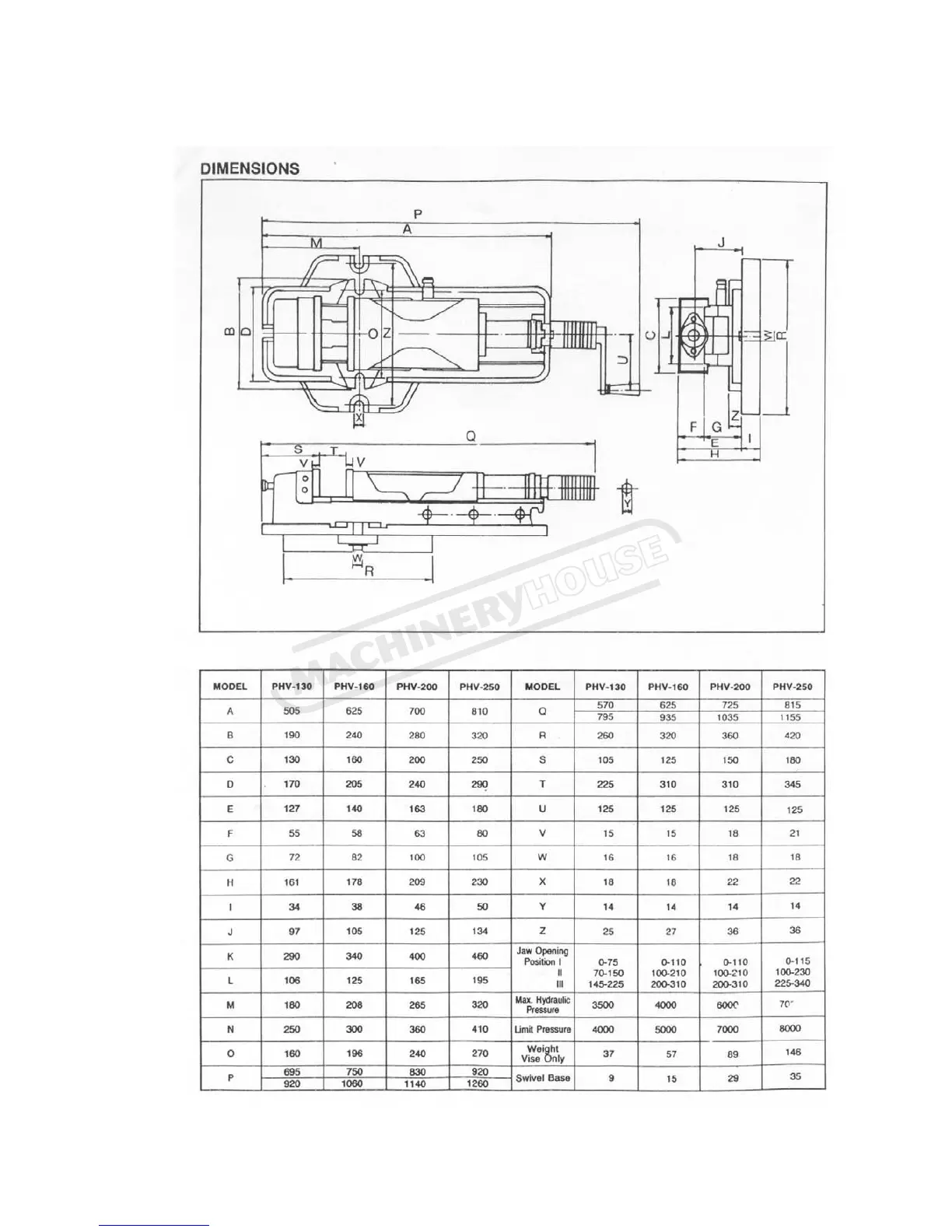
Safeway PHV-130 - DIMENSIONS

Default Icon
10 pages
Print Icon
To Next Page IconTo Next Page
To Next Page IconTo Next Page
To Previous Page IconTo Previous Page
To Previous Page IconTo Previous Page
Loading...
Page 7
Instruction Manual for PHV-130 (V330)
05/12/2014