EasyManua.ls Logo

Saivod TMS308M - Page 7

Saivod TMS308M
Print Icon
To Next Page IconTo Next Page
To Next Page IconTo Next Page
To Previous Page IconTo Previous Page
To Previous Page IconTo Previous Page
Loading...
7
ES

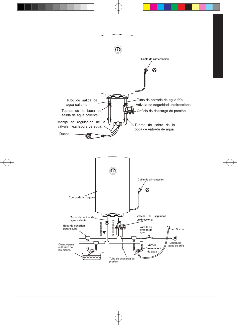
Diagrama 7
water heater.indd 72018/12/12 11:28:07

Related product manuals