EasyManua.ls Logo

Sakura M2000 - Page 47

Default Icon
47 pages
Print Icon
To Previous Page IconTo Previous Page
To Previous Page IconTo Previous Page
Loading...
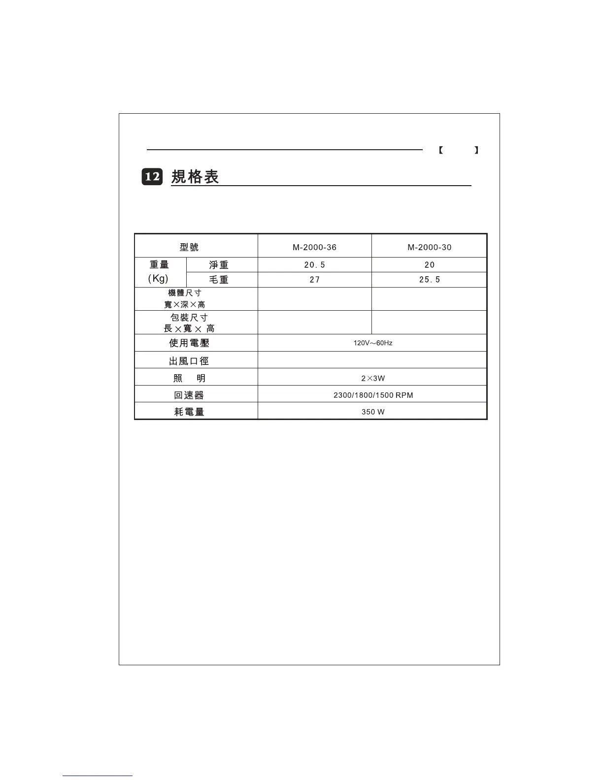
35-7/16" X 19-11/16" X 3-1/8" 30" X 19-11/16" X 3-1/8"
38-3/16" X 19" X 24-3/16" 32-11/16" X 19" X 24-3/16"
Ø 5-7/8"
P46

Related product manuals