EasyManua.ls Logo

samhydraulik H1C - Page 5

samhydraulik H1C
9 pages
Print Icon
To Next Page IconTo Next Page
To Next Page IconTo Next Page
To Previous Page IconTo Previous Page
To Previous Page IconTo Previous Page
Loading...
Pag. 5/9
axial piston
R
axial pistonaxial piston
R
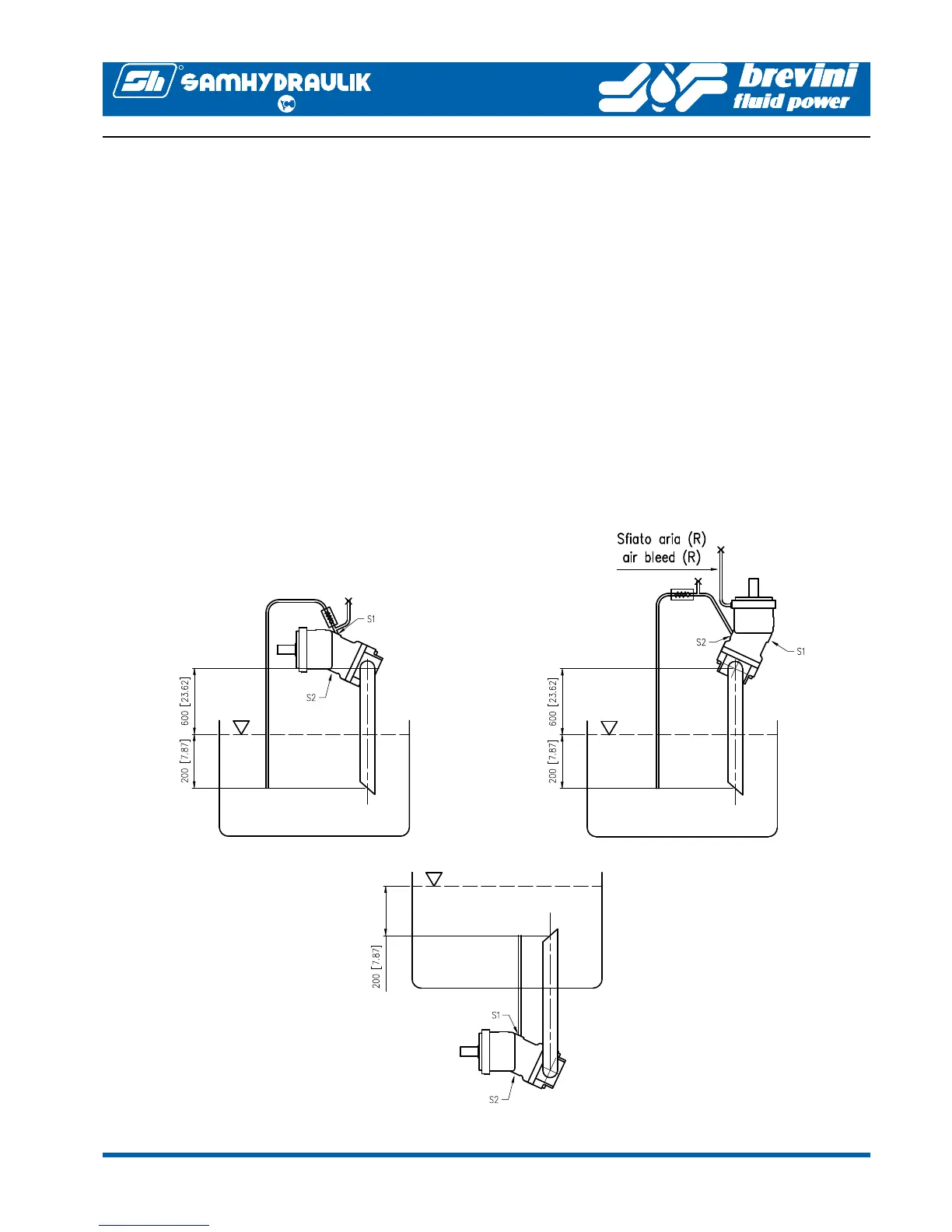
Figura 5 / Figure 5
Posizione di Installazione 1-2-3 (Installazione fuori
dal serbatoio)
In caso di montaggio fuori dal serbatoio assicurarsi che
il tubo di aspirazione peschi ad almeno 200 mm [7.87
in] al di sotto del livello minimo del serbatoio e che l’al-
tezza della bocca di aspirazione rispetto al livello mini-
mo del serbatoio non sia mai superiore a 600 mm
[23.62 in]. Non è consigliato il montaggio di filtri in aspi-
razione. In ogni caso la pressione assoluta del fluido in
corrispondenza della bocca di aspirazione non deve mai
essere inferiore a 0.8 bar. Il tubo di drenaggio S1 deve
essere collegato direttamente a serbatoio e pescare da
almeno 200 mm [7.87 in] al di sotto del livello minimo
del serbatoio. Nel caso di installazione sopra il serbatoio
assicurarsi che il tubo di drenaggio formi una curva ad
altezza superiore rispetto al punto più alto della pompa
per impedire lo svuotamento della carcassa (figura 5).
Nel caso di montaggio verticale per il collegamento del
drenaggio della pompa usare o la bocca S2 o S1(figura
6). Nel caso di montaggio al di sotto del serbatoio assi-
curarsi che i tubi peschino ad una profondità minima di
200 mm [7.87 in] al di sotto del livello minimo del fluido
per evitare l’aspirazione di aria specialmente in applica-
zioni mobili (figura 7).
Mounting position 1-2-3 (Installation outside the res-
ervoir)
If the pump is installed outside the reservoir ensure that
the suction line ands at least 200 mm [7.87 in] below the
minimum oil level, and ensure that the pump suction
port height above the minimum oil level never exceeds
600 mm [23.62 in]. Suction filters are not recommended.
The absolute pressure in the suction port must never fall
below 0.8 bar. The drain line S1 must be connected di-
rectly to the tank and it must end at least 200 mm [7.87
in] below the minimum oil level in the reservoir. If the
pump is installed above the reservoir ensure that the
drain line arches above the pump casing (fig. 5). If the
pump shaft is vertical the S2 or S1 ports must be used
to connect the drain line to tank (fig. 6). If the pump is
mounted below the reservoir ensure that the suction
and return lines end at least 200 mm [7.87 in] below the
minimum oil level in the reservoir (fig. 7), to avoid suck-
ing air (particularly in mobile application).
Figura 6 / Figure 6
Figura 7 / Figure 7

Related product manuals