EasyManua.ls Logo

Samsung AR07TXFCAWKNEU - Page 122

Samsung AR07TXFCAWKNEU
318 pages
Print Icon
To Next Page IconTo Next Page
To Next Page IconTo Next Page
To Previous Page IconTo Previous Page
To Previous Page IconTo Previous Page
Loading...
122
10. Operation Range
AJ100TXJ5KG/EU
Temperature High Pressure Gas High
Temperature Mid Pressure Liquid Mid
Temperature Low Pressure Liquid Low
Temperature Low Pressure Gas Low
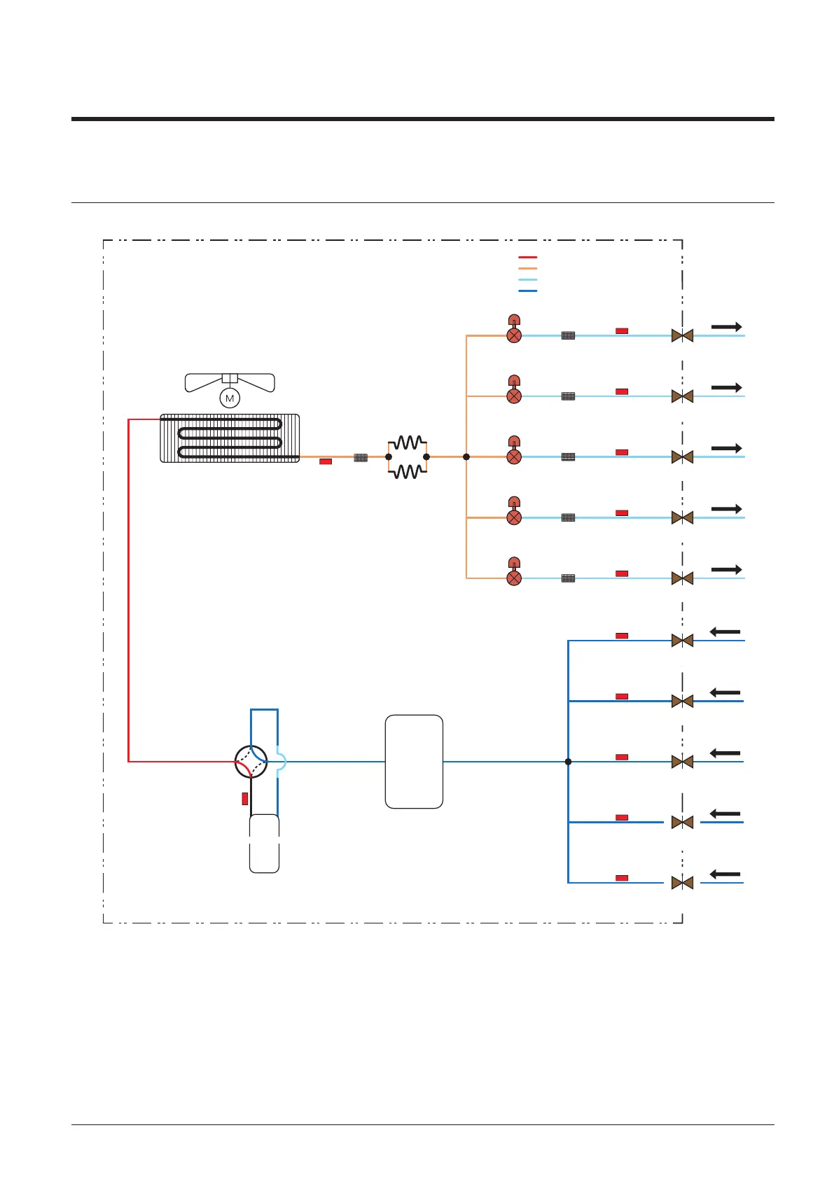
Compressor
(Comp)
Outdoor Heat Exchanger (OHX)
Outdoor Fan Motor (OFM)
Thermistor -
Cond Out
(T_CO)
Thermistor -
Discharge pipe
(T_D)
Thermistor -
In 1
(T_I1)
ROOM A
Electronic
Expansion Valve -
Main 1
(E_M1)
Electronic
Expansion Valve -
Main 2
(E_M2)
Filter
Filter
Service Valve -
Liquid Pipe1
(SV_L1)
Thermistor -
In 2
(T_I2)
Service Valve -
Liquid Pipe2
(SV_L2)
Thermistor -
Out 1
(T_O1)
Service Valve -
Gas Pipe1
(SV_G1)
Thermistor -
Out 2
(T_O2)
Service Valve -
Gas Pipe2
(SV_G2)
ROOM B
Electronic
Expansion Valve -
Main 4
(E_M4)
Filter
Thermistor -
In 4
(T_I4)
Service Valve -
Liquid Pipe5
(SV_L5)
ROOM D
Electronic
Expansion Valve -
Main 5
(E_M5)
Filter
Thermistor -
In 5
(T_I5)
Service Valve -
Liquid Pipe5
(SV_L5)
ROOM E
Electronic
Expansion Valve -
Main 3
(E_M3)
Filter
Thermistor -
In 3
(T_I3)
Service Valve -
Liquid Pipe3
(SV_L3)
ROOM C
ROOM A
ROOM B
Thermistor -
Out 3
(T_O3)
Service Valve -
Gas Pipe4
(SV_G4)
ROOM C
Thermistor -
Out 4
(T_O4)
Service Valve -
Gas Pipe3
(SV_G4)
ROOM D
Thermistor -
Out 5
(T_O5)
Service Valve -
Gas Pipe5
(SV_G5)
ROOM E
Accumulator
(AC)
Capillary Tube -
Main
(CP_M)
Cooling System
Filter

Other manuals for Samsung AR07TXFCAWKNEU

Related product manuals