EasyManua.ls Logo

Samsung AR09TXCAAWKNEU - Page 84

Samsung AR09TXCAAWKNEU
318 pages
Print Icon
To Next Page IconTo Next Page
To Next Page IconTo Next Page
To Previous Page IconTo Previous Page
To Previous Page IconTo Previous Page
Loading...
84
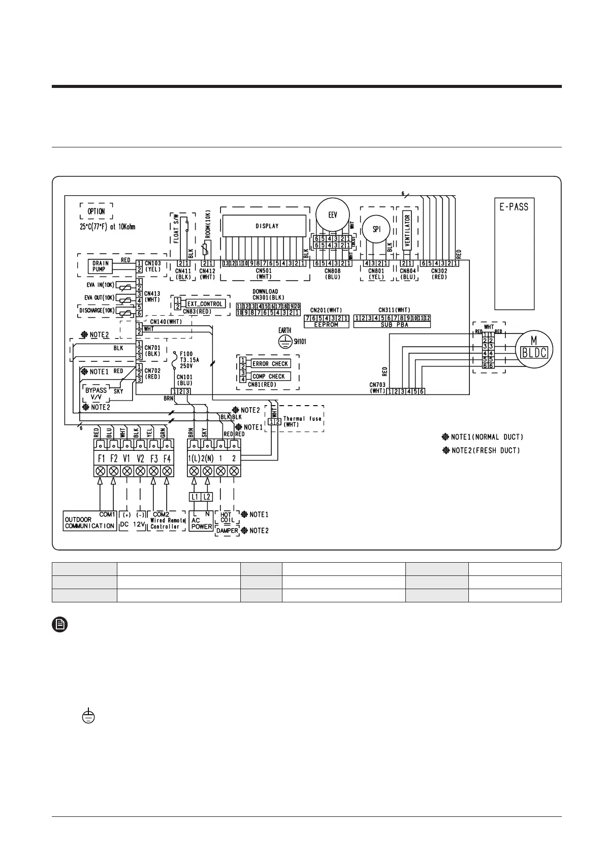
7. Electrical Wiring Diagram
7-2 Indoor unit
4 Home duct : AJ026TNLDEG/EU, AJ035TNLDEG/EU, AJ026TNLPEG/EU, AJ035TNLPEG/EU
MAIN PCB Printed circuit board(MAIN) M-BLDC BLDC Motor ROOM-TH(10K) Thermistor ROOM
DISPLAY PCB Printed circuit board(Display_Option) EEV Electronic Expansion Valve(Option) EVA IN-TH(10K) Thermistor EVA IN
FLOAT SWITCH  SPI S-Plasma ion(Option) EVA OUT-TH(10K) Thermistor EVA OUT
NOTE
This wiring diagram applies only to the indoor unit.
Colors BLK : black, BRN : brown, SKY-BLU : sky-blue, GRN/YEL : green/yellow, RED : red, YEL : yellow,
ORG : orange, BLU : blue, WHT:white
For connection wiring indoor-outdoor transmission F1-F2, indoor-wired remotecontroller transmission F3-F4, refer to the
installation manual
Protective earth(screw)

Other manuals for Samsung AR09TXCAAWKNEU

Related product manuals