EasyManua.ls Logo

Samsung AR12TXFCAWKNEU - Page 82

Samsung AR12TXFCAWKNEU
318 pages
Print Icon
To Next Page IconTo Next Page
To Next Page IconTo Next Page
To Previous Page IconTo Previous Page
To Previous Page IconTo Previous Page
Loading...
82
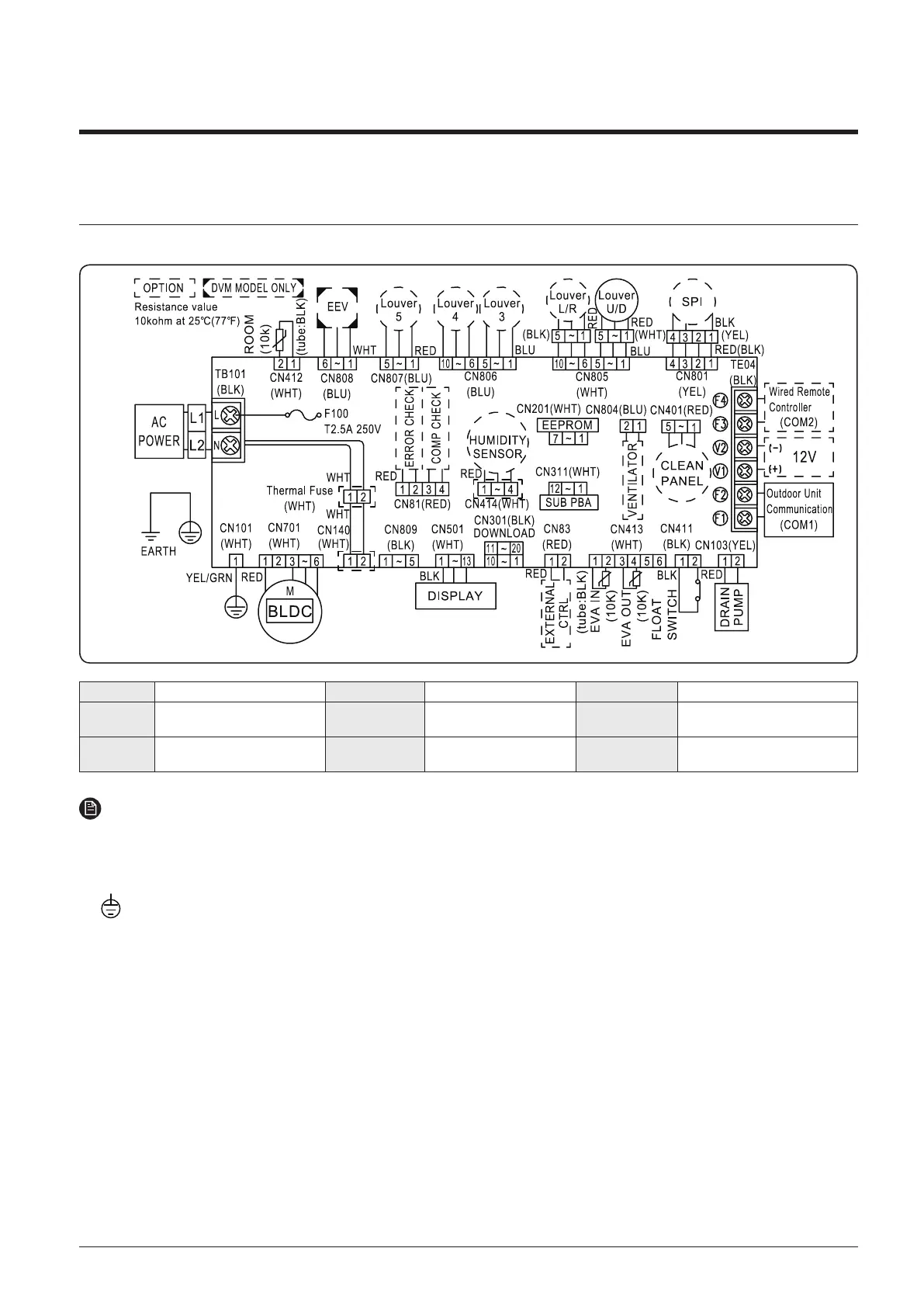
7. Electrical Wiring Diagram
7-2 Indoor unit
2
Wind-Free 1Way Cassette
MAIN PBA Printed circuit board(MAIN) M-BLDC BLDC Motor ROOM-TH(10K) Thermistor ROOM
FLOAT
SWITCH
 EEV
Electronic Expansion
Valve(Option)
EVA IN-TH(10K) Thermistor EVA IN
HUMIDITY
SENSOR
Humidity Sensor(Option) SPI S-Plasma ion(Option) EVA OUT-TH(10K) Thermistor EVA OUT
NOTE
This wiring diagram applies only to the outdoor unit.
Colors BLK : black, BRN : brown, SKY-BLU : sky-blue, GRN/YEL : green/yellow, RED : red, YEL : yellow,
ORG : orange, BLU : blue, WHT: white
For connection wiring indoor-outdoor transmission 3(C), refer to the installation manual
Protective earth(screw)

Other manuals for Samsung AR12TXFCAWKNEU

Related product manuals