EasyManua.ls Logo

Sansui CD-E770 - Page 2

Sansui CD-E770
25 pages
Print Icon
To Next Page IconTo Next Page
To Next Page IconTo Next Page
To Previous Page IconTo Previous Page
To Previous Page IconTo Previous Page
Loading...
CD-E770
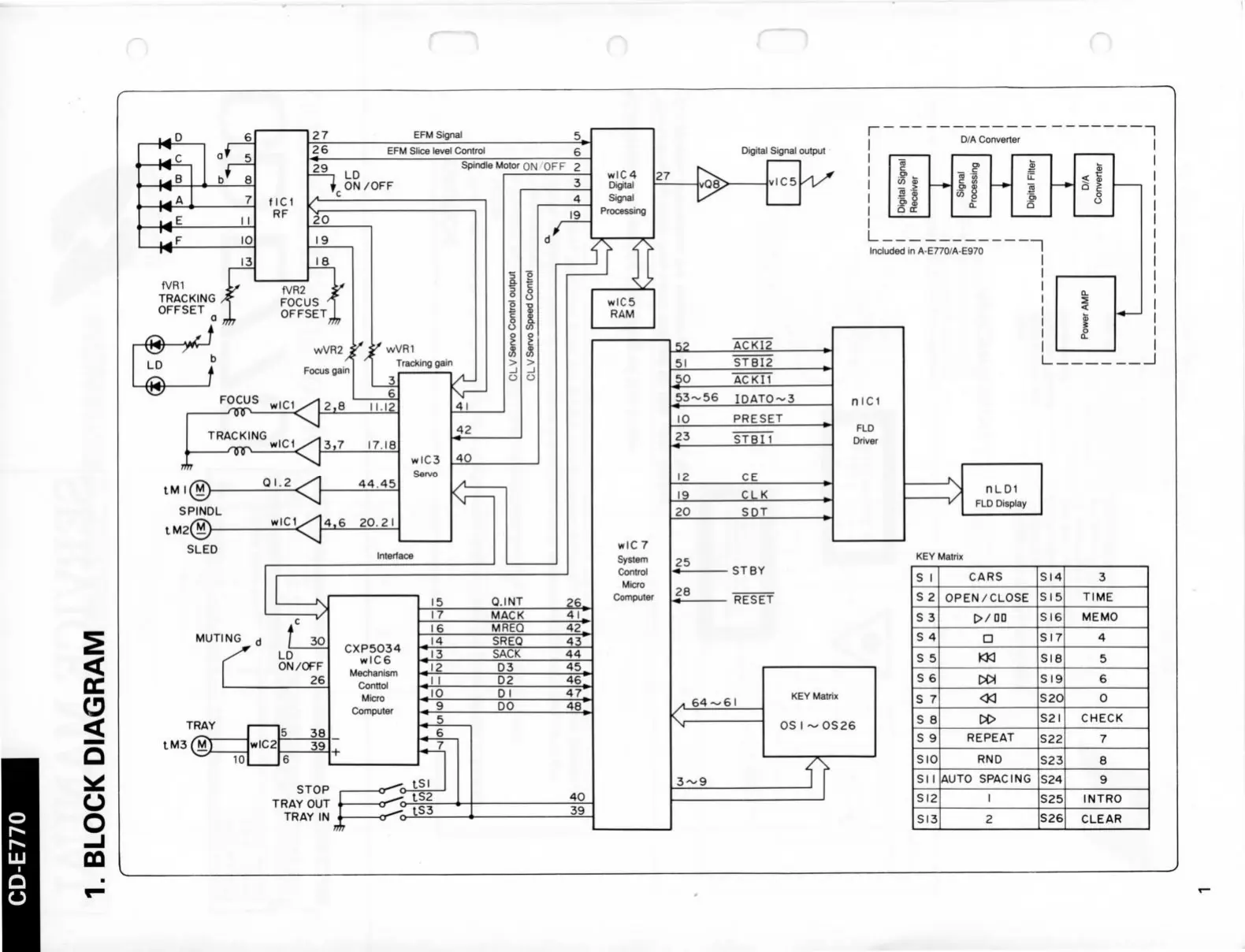
1.
BLOCK
DIAGRAM
S
c
m
'
Z
H -D
O
O)
W
00
i
s ? I
*
^
3
*
U 4^
10 O
3]
>
O
OH
^
-n3)
<
-n> ^
Hz
i[ i[
)0
5
O
3c
ï
n
AA AA
*
p
I
33
03 ?
00
O
ï
3
0
OJ
2^
H <
01-
CLV
Servo
Control
output
CLV
Servo Speed
Control
O , O w s
If 11^
s
° ° 3 ^
7\
0
m
:^
m
l
-<
2.
x'
0)
U5
-1
OD
-<
3)1
A-
OJ
ro O) UI
(ö
O
UI
? -n
3
O
CD
g r-
Digital
Signal
Receiver
O
=3
O
r
Signal
Processing
I
Digital
Filter
Power
AMP
D/A
Converter
I
I
1

Related product manuals