EasyManua.ls Logo

Sansui CD-V1000 - Other IC Descriptions; CXA1081 S RF Amplifier Details

Sansui CD-V1000
18 pages
Print Icon
To Next Page IconTo Next Page
To Next Page IconTo Next Page
To Previous Page IconTo Previous Page
To Previous Page IconTo Previous Page
Loading...
(o7
PEAY
a
elere)
©
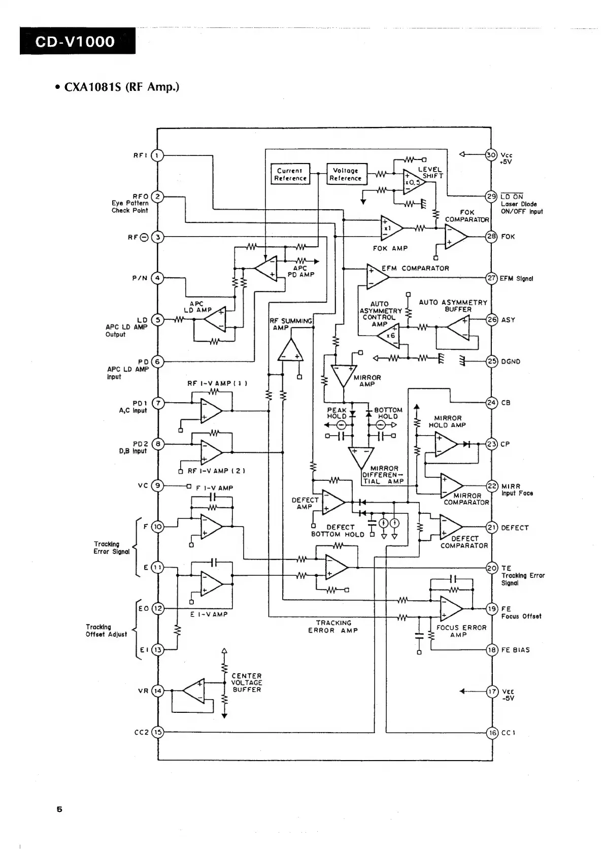
CXA1081S
(RF
Amp.)
tO
ON
Laser
Diode
ON/OFF
Input
Eye
Pattern
Check
Point
AUTO
ASYMMETRY
BUFFER
LD
ASY
APC
LD
AMP
ee
Output
PD
OGNO
APC
LD
AMP
@
Input
cB
A,C
Input
MIRROR
HOLD
AMP
cP
D,B
Input
DIFFEREN
MIRR
Input
Face
MIRROR
OEFECT
COMPARATOR
DEFECT
(21)
DEFECT
BOTTOM
HOLD
Tracking
COMPARATOR
Error
Signal
0)
TE
Tracking
Error
Signal
FE
=
Focus
Offset
RACKIN
Tracking
Banga
te
ne
FOCUS
ERROR
Offset
Adjust
AMP
CENTER
VOLTAGE
BUFFER