EasyManua.ls Logo

Sansui Micro-750-D - Page 21

Sansui Micro-750-D
42 pages
Print Icon
To Next Page IconTo Next Page
To Next Page IconTo Next Page
To Previous Page IconTo Previous Page
To Previous Page IconTo Previous Page
Loading...
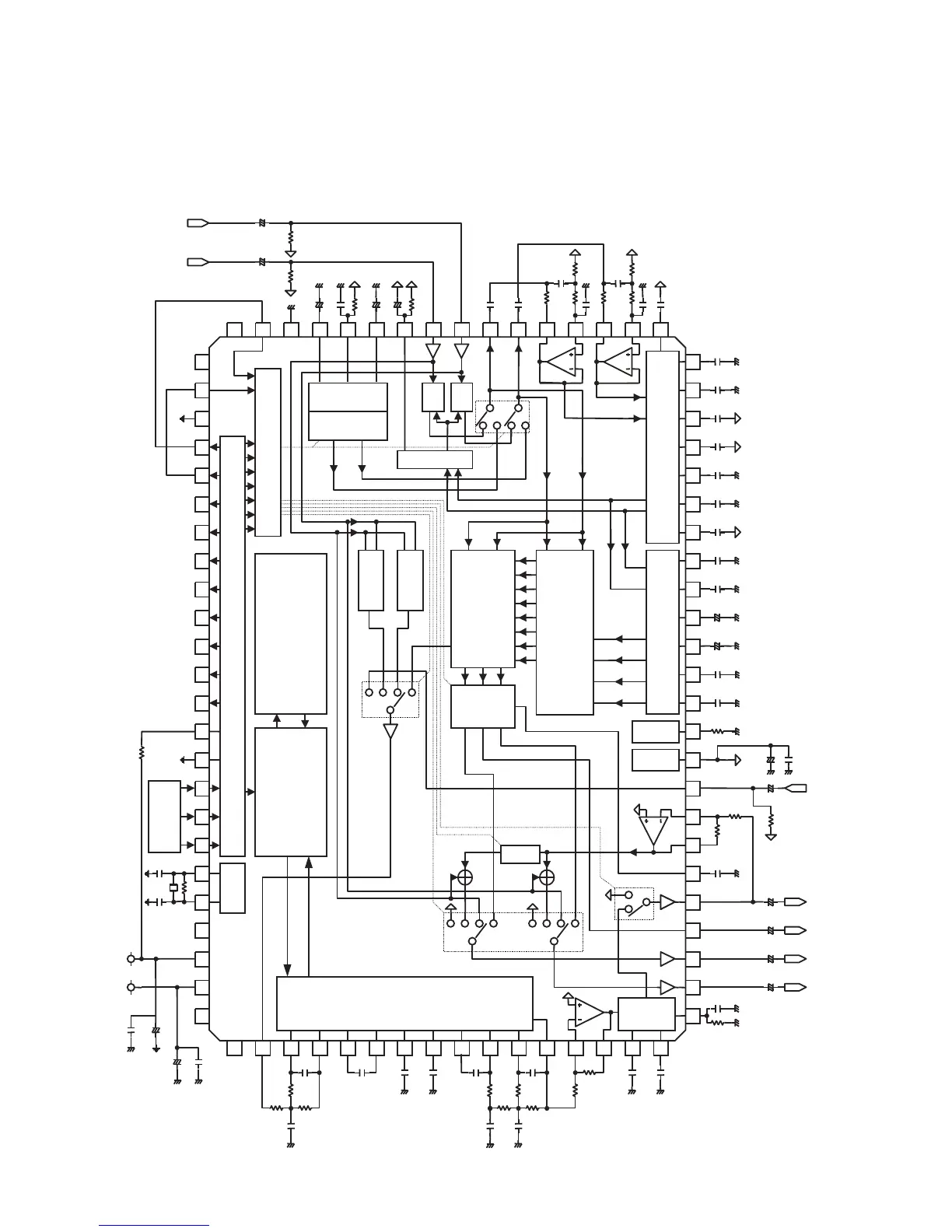
NJW1104
MEMORY
CONT ROL
MCU INTERF ACE
L+R
L-R
COMBINNING
NETWORK
VCA
x
8
MEMORY
CENT ER
MODE
CONT ROL
Surround S ignal s e lector
VCA
VCA
CONT ROL
NOISE
SEQUENCER
NOISE
GENERAT OR
Signal /Tes t tone s e lector
ADD/SUB.
L,Rch m ode
se le cto r
MODIFIED
B-NR
Sch m ode s e lector
LPF and A /D D/A CONVERTOR
+5V
+10V
VDD
VCC
24
OS C
+
+
u-COM
DATA
SCK
REQ
RST
TEST CNT
27p
27p
4MH
1M
100u
100u
C21 C20
100n
C18
100n
C19
R12
X1
C17
C16
R11
47K
14
15
16
17
18
19
20
21
22
23
80
VSS
1
SW ITCH CONT ROL
MD1
MD2
AUX1
AUX2
AUX3
AUX4
AUX5
AUX6
AUX7
AUX8
AUX9
AUX10
2
3
4
5
6
7
8
9
10
11
12
13
79
64
65
GND
++
+
+
+
Lin
Rin
100n
22n
22K
22K
10u
10u
22u
47n
100K
47u
22u
47M
100n
75K
75K
100n
100n
15K
15K
47K
47K
100n
680p
680p
C10
C11
R7
R8
C15
C14
R10
C13
C12
R9
C9
C8
R6
R3
C7
C5
R5
R2
R4
R1
C6
C4
C3
C2
C1
78 77 76 75 74 73 72 71 70 69 68 67 66
IREF
VREF
PO LARITY SPRI TTER
RECT IFIER &
LOG AM PRI F IE R
+
+
4.7u
220n
220n
100n
47n
47n
100n
100n
22n
C57
C56
C55
C54
C53
C52
C51
C50
C49
63
62
61
60
59
58
57
56
55
54
41
+
+
+
+
EXTin
S out
Cout
Rout
Lout
+
680n
330K
10u
10u
10u
10u
10K
20K
100n
47K
10u
100K
220n
220n
4.7u
C48
C47
R26
+
220u
C46
C45
100n
C44
R25
R24
R23
C42
C41
C40
C39
C38
C37
R22
53
52
51
50
49
48
47
46
45
44
43
42
4025
3.3n
680p 680p
3.3n
10n 10n
22n 22n
18K 15K
10K
15K7.5K
7.5K
10K
24K
10K
5.6n 68n
C36C35
R21
R20
C32
C31
R19
R18
R17
3.3n
C30
R16
C29
C28C27
C26C25
R15
R14
R13
C24
3938373635343332313029282726
APPLICATION CIRCUIT AND BLOCK DIAGRAM
21

Related product manuals