EasyManua.ls Logo

Sanyo EM 710 FS - Page 4

Sanyo EM 710 FS
21 pages
Print Icon
To Next Page IconTo Next Page
To Next Page IconTo Next Page
To Previous Page IconTo Previous Page
To Previous Page IconTo Previous Page
Loading...
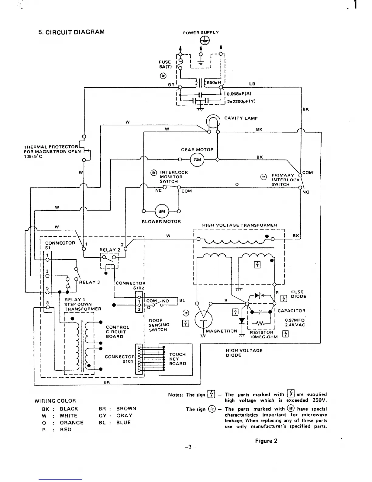
5. CIRCUIT DIAGRAM
.1
POWER StJPpLY
0
=
AA 4
)
CAVITY LAMP
w
w
BK
THERMAL PROTECTOR
?I
FOR MAGNETRON OPEN
GEAR MOTOR
13515° C
(
I
c
n
BK
f
@
&T;~o;CK
@ ;:;;;:::
SWITCH
f \
o SWITCH
NC ~
COM
BLOWER MOTOR
HIGH VOLTAGE TRANSFORMER
r
————— —— __ ———— —-
1
BK
COM
\
NO
I
F- —— ---— .—-— —— __
—-—
w
I
n
I BK
\ ~yNNECTOR ,
1~
I
2
(
RELAY 2
I
I
I ~
i
I
I
-i
I
I
I
————— —————— ————
BK
WIRING COLOR
cl-
Notes: The sign $
BK :
BLACK
BR : BROWN
The sign @ -
w
:
WHITE
GY : GRAY
o
:
ORANGE
BL :
BLUE
R
: RED
HIGH VOLTAGE
OIODE
The parts marked with $ are supplied
high voltage which is exceeded 250V.
The parts marked with @ have special
characteristics important for microwave
leakage. When replacing any of these parts
use only manufacturer’s specified parts.
-3–
Figure 2
.

Related product manuals