EasyManua.ls Logo

Sanyo PLUS T35 - System Block Diagrams; Tuner Block Diagram; Power Supply Block Diagram; Counter and Quartz Block Diagrams

Sanyo PLUS T35
32 pages
Print Icon
To Next Page IconTo Next Page
To Next Page IconTo Next Page
To Previous Page IconTo Previous Page
To Previous Page IconTo Previous Page
Loading...
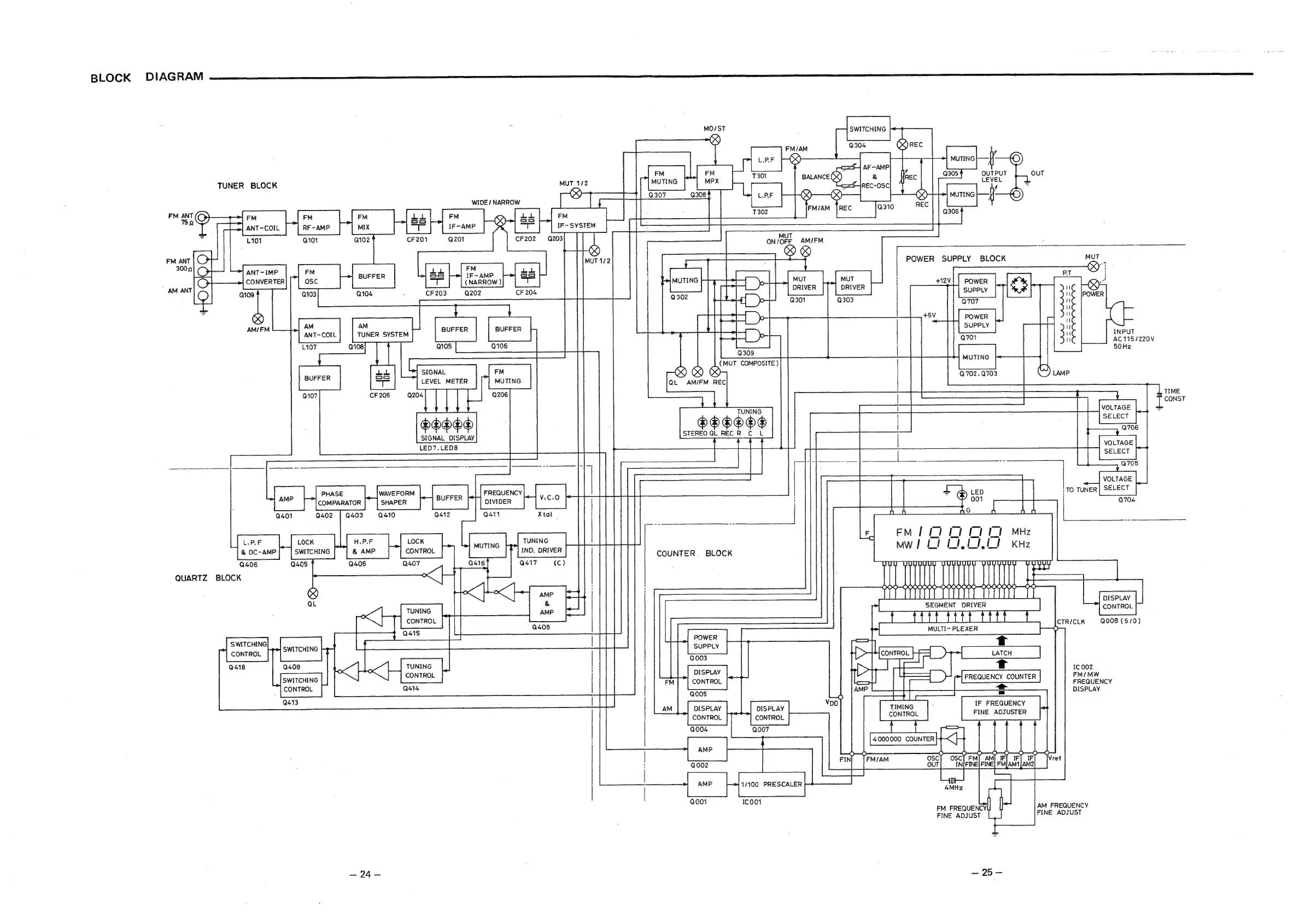
BLOCK
DIAGRAM
MO/ST
SWITCHING
()
,
MUTING
FM
TUNER BLOCK
MUT
1/2
&)
WIDE
/
NARROW
(—
I
FM
ANT
A
ey
FM
zs
FM
|
|
ANT-COIL
IF-SYSTEM
FM
ant
|
C)
3000
OC
CF201
Q201
CF
202
L101
POWER
SUPPLY
BLOCK
MuUT
ANT-IMP
Hare
Or
|
:
sik
Q
CONVERTER
(NARROW)
Hehae
H
+12V|
|
POWER
©)
3
e@
109
CF203.
=
Q202
SUPPLY
Ss
Q303
AM/FM
INPUT
AC115/220V
50Hz
BUFFER
Q107
CF
205
TUNING
OOO
STEREO
QL
RECR
C
L
VOLTAGE
PHASE
,TO
TUNER
SELECT
|
Q704
COMPARATOR
i
FREQUENCY
;
:
Vv.C,0
Mf
Cir
Ciel
MHz
bce
COUNTER.
BLOCK
Mw!
LI
LICICI
kHz
Q406
QUARTZ
BLOCK
TUT
TEE
OOO—Q000000—O000000—O000000
TTY
EET
ee
SEGMENT
DRIVER
CONTROL.
EE
Ee
crricuk
0008
(5/0)
O
MULTI-
PLEXER
(itz
a
ai
TT
ia
SWITCHING
CONTROL
SWITCHING
Q418
1c
002
SWITCHING
FM/MW
CONTROL
:
KS
abad
Q413
DISPLAY
CONTROL
DISPLAY
CONTROL
O—O
f=)
O-—O—O-—0-—O-—-O
FM/AM
Osc]
OSC]
FM/AM)
IF]
IF)
IF
OUT
IN{FINE|
FINE}
FMjAM1/AM2
a
a
11100
PRESCALER
ae
Qoo1
1¢001
i
FM
FREQUENCY!
|
AM
FREQUENCY
FINE
ADJUST
FINE
ADJUST
—~224—
25