EasyManua.ls Logo

Sanyo TRC3549 - Schematic Diagram

Sanyo TRC3549
12 pages
Print Icon
To Next Page IconTo Next Page
To Next Page IconTo Next Page
To Previous Page IconTo Previous Page
To Previous Page IconTo Previous Page
Loading...
I
E.IM
R101 02o
L
Clol
0, 033
L
I
R103
HO1-1
10K
R/P HEAO
7
51-2
51-1
HD2-1
ERASE HEAD
rx
x
J
\
w
i!-
EI
a
C112 +
220/4
R104
56
Cllo
C104
2.2/50+
Clll
o. 47/50
2200P
+
R102
lK
C102
o 033
I n
l--h
C113
2.?0/6. 3
+
19 16 17
“O1r“F-=’
w
1
PRE PRE REC V
R/P DC
Vcc PwR
LEO GV
GV VS
GND NF IN
REF
GN13 CONT REF
+gg~+~+ LAUGUZ
0 23 0. 15 1. 19 2.67
IC101 LA4165i
15 15 + Q L ~
L&++_
1515
15 0. 1
0
P. B PRE
PwR PwR
ALC Vox
EO
VOX GV GV GV GV
OUT IN
OUT DC
SW Sw Vcc
OUT GNO
kM--v
@
S1-3 C,O’T .
1/50
R106
510
vR 101
C-20K
\
55
L—vA——
+
?105 7.5K
C108
R108
o 01” ~rJK
T
V@,
T
L+-J
C103 560P
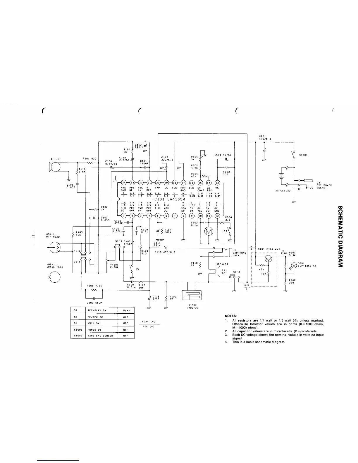
S1 REC/PLAY SW
PLAY
S3
FF/REw SW
OFF
7
C201
470/6. 3
F
+
\
S1OO1
-J51
T
L
~
,3
?
ExT POWER
SOCKET
-A A” CELLX2
I
Jr
,
+
TrT
C114
22/4 ,
N
v
J2
>101 0TA114YS ~
C116 470/6. 3
EARPHONE
JACK
2 96 R201
3. 3K
R11O
27
SPEAKER
‘; ~ ,~~
D201
~a
SLP-135B-51
47X
~d
SP1
4n
S1-4
10K
L
0,9 :
------- --- .-— .___. .
o
[
1
C115
f
R109
1/50 27
S1OO2 TAPE END SE NSER
OFF
A
S1OO2
,H02-21
NOTE%
i
R202
330
1.
All resistors are 1/4 watt or 1/6 watt 5% unless marked.
Otherwise Resistor values are in ohms (K= 1000 ohms,
M = lOOOk ohms).
2. All capacitor values are in microfarads. (P= picofarads).
3. Each DC voltage shows the nominal values in volts no input
signal.
4.
This is a basic schematic diagram.

Related product manuals