EasyManua.ls Logo

saro CAPPONO 40 - Page 14

saro CAPPONO 40
Print Icon
To Next Page IconTo Next Page
To Next Page IconTo Next Page
To Previous Page IconTo Previous Page
To Previous Page IconTo Previous Page
Loading...
Stand 03/2016 IH / 03 GB MM / 02 NL JC /
page 6/8
GB
Operating Instructions Coffee Machine Models CAPPONO
„Cleaning and descaling“ continued
Wipe the outer surface of the unit with a damp cloth and a mild detergent and dry everything
carefully. Also here do not use any abrasive cleaning agents/tools!
Please make sure that you never place the device for cleaning purposes inside water, wash it
off or clean it with a water, steam or high pressure cleaner.
The loose parts such as the device lid (2), distributor/safety hat (11), filter container (12), riser
pipe holder (14) and the riser pipe (13) can be cleaned in a sink with a mild detergent and
soft cloth/sponge, then rinse and dry.
The riser pipe can be cleaned from the inside by means of a suitable, narrow, rod-shaped
washing-up brush. The holes in the feet should also be cleaned with a washing-up brush.
To achieve a long term good function, we recommend to descale the appliance regularly.
The descaling periods depend on the hardness of the water. A clue is the formation of scale
on the base of the container.
To descale, use a commercially available descaling agent and follow the by the
manufacturer's recommended instructions.
After descaling, the remains of the descaling agent must be thoroughly removed. (See
cleaning) After cleaning it is best to bring water to the boil and then discard.
7. Recommendation for discoloration
Oxidation of iron in tap water may cause discoloration inside the tank, proceed as follows:
1. Quarters of lemon
2. Wrap lemon parts in a cotton cloth and place into the tank.
3. Fill tank with water up to "Max"-mark
4. Allow the water to boil in the tank
5. Leave the mixture for about 1 hour in the tank
6. Empty container
7. Scrub the container with a nylon brush
8. Rinse tank
9. Fill with water again, bring to the boil and empty to remove the smell of lemon.
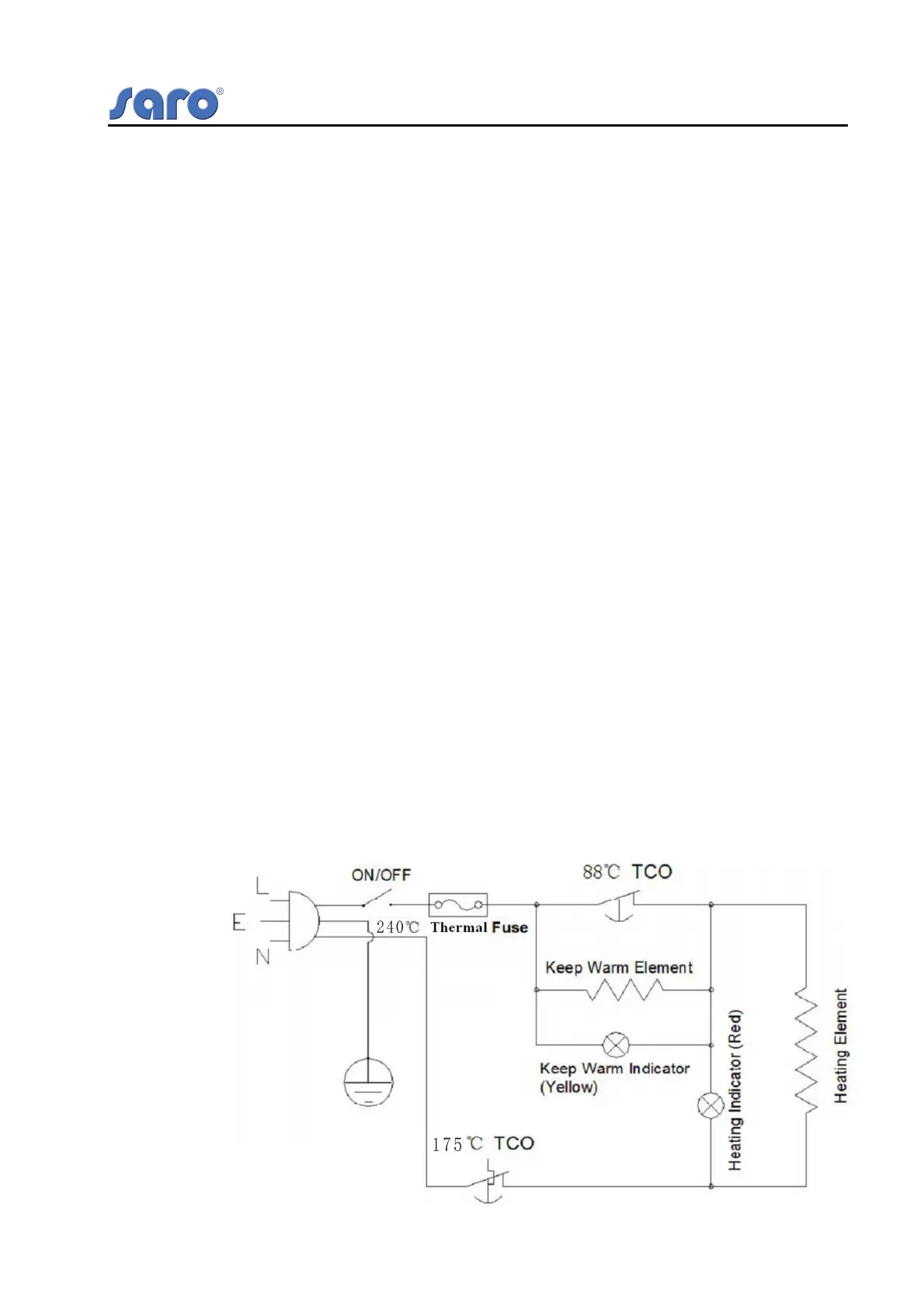
8. Current plan

Related product manuals