EasyManua.ls Logo

Sauer Danfoss DH 100 - Page 7

Default Icon
20 pages
Print Icon
To Next Page IconTo Next Page
To Next Page IconTo Next Page
To Previous Page IconTo Previous Page
To Previous Page IconTo Previous Page
Loading...
7
11065435 • Rev AD • October 2011
DH and DS Motors
Assembly and Test Procedures
Tools
Tools (continued)
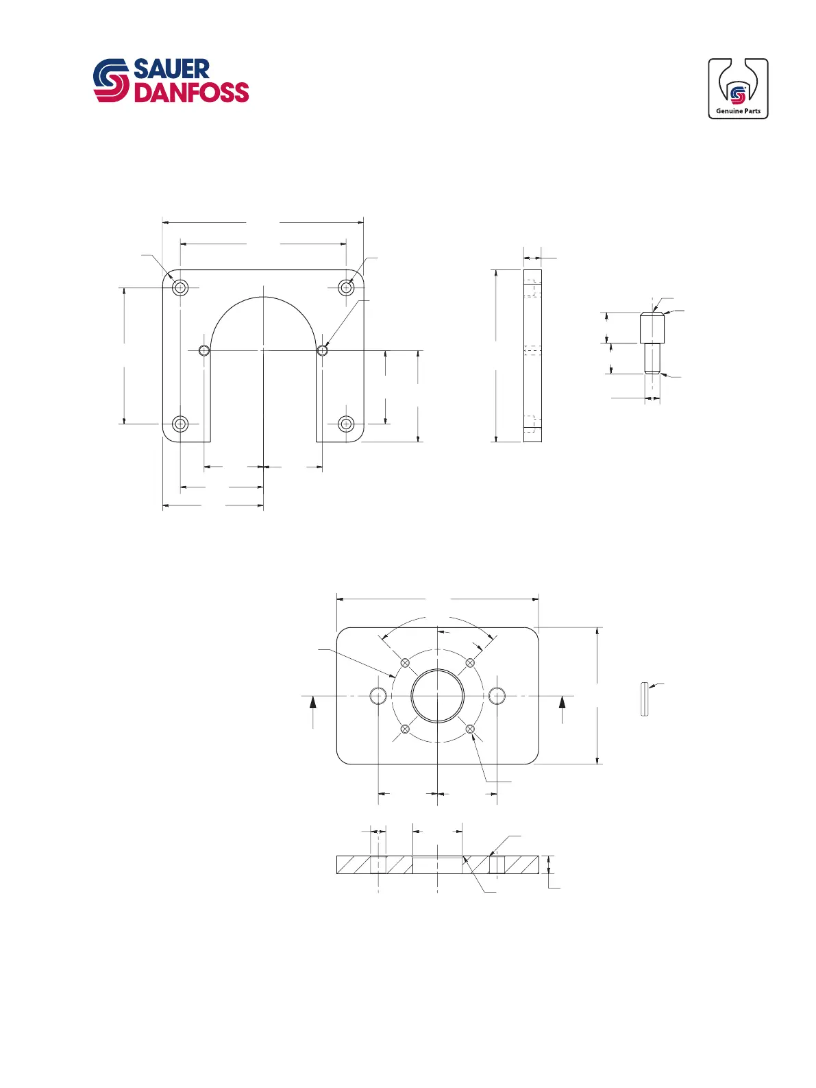
Ø 12.7 [0.5] ± 0.254 [0.01]
1.58 [0.062] X 45°
15.88 [0.625]
0.76 [0.03] X 45°
15.88 [0.625]
7.93
[0.312]
- 0.127 [0.005]
+0
15.88
[0.625]
152.4
[6]
80.99
[3.188]
65.05
[2.562]
53.19
[2.094]
53.19
[2.094]
74.63
[2.938]
90.49
[3.562]
120.65
[4.75]
4X radius
2.7 [0.5]
181
[7.125]
149.23
[5.875]
4X Ø 11/32 inch THRU
3/8 UNC Tap
2X Ø [7.93 [0.312]
0.762 [0.03] X 60° Lead
P107 977E
Dimensions mm [in]
Holding tool for motors with A2 flange (horseshoe)
P107 978E
Ø 82.55 [3.25]
120.65
[4.75]
15.88
[0.625]
181
[7.125]
90°
45°
Radius
1.58 [0.062]
6.35 [0.25] THRU (4X)
+ 1.53 x [0.06]
- 0
1/4 inch
roll pin
0.76 [0.03] X 45° Bevel (2X)
44.45
[1.75]
13.49 [0.531] X2
53.19
[2.094]
53.19
[2.094]
Section A - A
A
A
0.76 [0.03] X 45° Bevel (4X)
Holding tool for motors with C flange

Related product manuals