EasyManua.ls Logo

Scale-Tronix 6202 - Page 39

Default Icon
48 pages
Print Icon
To Next Page IconTo Next Page
To Next Page IconTo Next Page
To Previous Page IconTo Previous Page
To Previous Page IconTo Previous Page
Loading...
SMETEMEB
다"
sti
QI
ee
G
=
τε
+5
VOLTS
À
ue
<
TTT
Ro
Torr
ne
o
+
1
cre
ceo
-750
||
CAP
ser
a
к
—i
Les
+
Ge
İaşe
z
ver
sel
“el
a
i
*
Mk
ssh
pe
us
2
«<
l
κ
sf
PEMBEZ
RA
El
029
ος
was
118592
MHz
pe
же
г
c
vim
szosira
=
LR
[ni
ver
ο
αἱ
espa
KE
AA
|
om
al
|
4
ee
se as
à
bz
mm
E]
mes
[os
se
moe
al)
o
E]
37
223|
14
COORSE
ZERO
i
a
|
ver
4
|
R22
|
18
few
OFFSET
ee
lr?
Me
PSA
Per
Silme)
az
REF
ab
om
bas
“ber
Gi
REL
|
li
FINE
ZENO
yes
ματι
ή
ca
?|
men
|
in
BRIDGE
OFFSET
ECS
=
e
7
6]
519
|
9
RCO
(FE:
>
1
ST?
ie
me
mit
Me
`_
y
a.
Е
И
Ar
~
ca
CDD
Nes:
pire
dl
re
lad
г
2
vr
ere:
a
et
s
my
αν]
4
PS3
91. 7
E
1
Ús
pin
EE İ
Sa
dl
ae
pme)
etes
A
bas
Pi
H
=
pap
ME
tuk
a
dra
L
tåbe
se
]
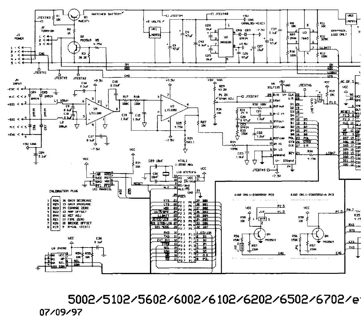
5002/5102/5602/6002/6
102/6202./6502/6702/е
07/09/97

Related product manuals