EasyManua.ls Logo

Scale-Tronix 6202 - Page 45

Default Icon
48 pages
Print Icon
To Next Page IconTo Next Page
To Next Page IconTo Next Page
To Previous Page IconTo Previous Page
To Previous Page IconTo Previous Page
Loading...
sem
sevi
en
POWER
MIE
LR
9
-
14
w
4
GND
s
Cedi
649
R208
+
2209
Е
3<
420
tht
ein
Sour
|
1X
300
ч<
v
634
+
5
P
soe
LED
+
BBK
+ +
эн»
a
3000
n
бог
3063
6006
.
221K
"L
coos
_J
sas
164
ven
o
x
TEV
Phases
7
.
x
τον
Ε-
so
crece
BEK
creo
vem
L19918
z
mois
|
LTites
Reos
O
гк
>
©
Jena
medo
eos
Jms
y x
mo
1
+
x
Li
cts
à
REIS
q
i
Fr
ep
3
s
Mr
Ris
#
|
8
8
UR
RAD
5
|
4
ERROR
Е
Ow
ЖНОТЕ:
Add
19
#
=
ETES
E
sr
e
un
9
sem
ВЕ
оз
m
2
2205
we
7
GHD
Cit
pet,
REMOTE
[o
«eos
POWER
eon
E
-
1<
+
100
y
Е
CUT
+
ας
πα
E
sam
E
s<
P
2
e
e
+
s
B
A
Hume
+
Li
-
6
1
+
o
o
J
xa
R206
œ
о
ak
vee
De
ig
5%
а.
-
HR
ze
OZ
Las
ds
U
E
ibe
о
Fret
(AE
plž
NO
esi
su
©
DE
|
©
v
GREVİ
veri
Reto
Sins
de
(71123
ce
Rao
fe
U
гк
28k
E
Jane
Les
TE
bo
+
743569
ses
a
Z
tt
re
pa
p
Fa
po
©
cs
2
da Eb
es
3d
MA
*
|
$42
pla
me
st
wi
is
apr
E
RTS
Yet
|
tote:
Add
ino
46
A 4
ERROR
5
000
5
for
2609602007
È
e
E
“e
Κως
3
Jeos
REF
071011997
a“
pe
POTE
τους
file:
23pr
stag
sch
PAPER
ADU
16
4
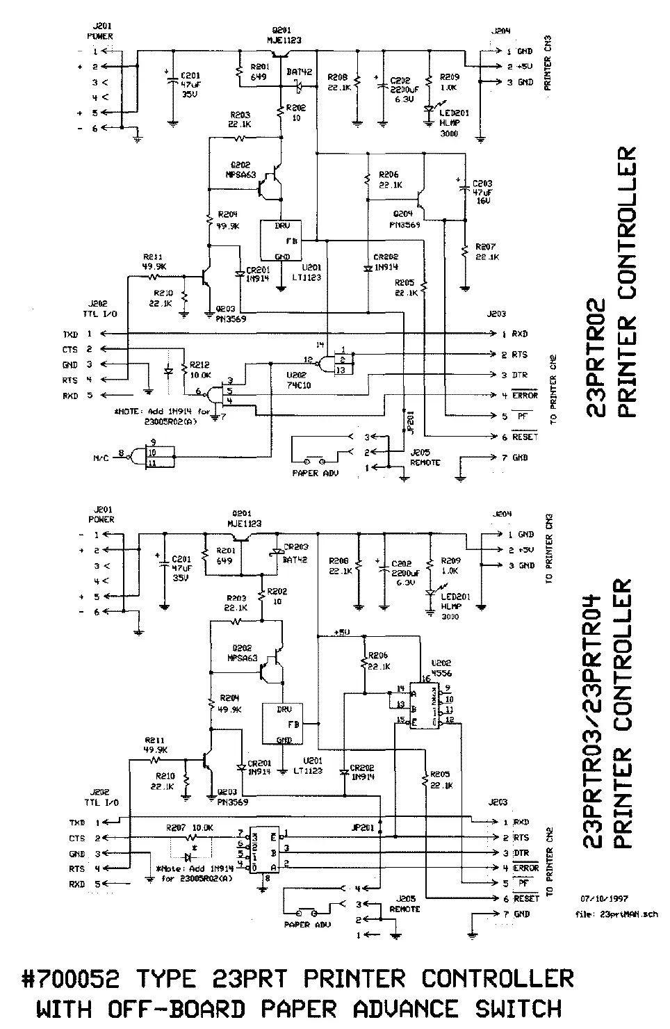
#700052
TYPE
23PRT
PRINTER
CONTROLLER
WITH
OFF-BOARD
PAPER
ADVANCE
SWITCH

Related product manuals