EasyManua.ls Logo

Scully 280 Series - Page 18

Default Icon
99 pages
Print Icon
To Next Page IconTo Next Page
To Next Page IconTo Next Page
To Previous Page IconTo Previous Page
To Previous Page IconTo Previous Page
Loading...
TAN:
TRANSPORT
-2
H
DC
.W
,
EDUUIZU,
R
Y,
" m
S
·101
"
$ - " 4
TlF'E
'""
.
RY
UPE
..-
5_
4
KIO
I I
TAPt:
SIU
IRK Sl
.:::r:::
SI02
IIE_INO .
,
fAST
",
,
••
17
m
ftE
_1HC
'"
,
"
7
flo
S!±.
?
. .,
S
10
3
fAST f _ E
ftY.
X'RUI
On
CO
N
TROl..
K
IOI
,
PU
1
...
R[W
.
'.fW
D
"
,.
,
ft''iJ°J,.
r.:.:;:
H!:AO
(l.Olf
(RI0
4
"
,
. 6
0.
REC$W
Slit
.-oa
\
L
,!£
S
101
n.
.
.....
no
....
-,
"
N"£
.W,
UC):!",G.HT
RI07
...
, .
a'sTot
",
,
"
STAAl fty .
Xl
el
$TM
T
$_
I
.,
034
..
,
,
-""
Sle
,
k
'0
)
,
"IT
LUI
)
--
KI
D)
'\
'0
$
C
UlT.".
STAAT
:1Ofi1r.
SOUIOOIO
,
.,
,
-(
I
EOIT?
Sill
ACTIVATED
IV
.J....;"
LI02
SOL
"
OSEDIT
ft(
WIN
D ToP(
T K
lel
N Q
Llnu
,
L 104
EDIT
11'1.
$IlPPI.Y lflIoI<l
-
,
"
.
,0
2
fAST
fw
D SOI.[NOIO
'00
fUE
....
IfI,\JlE
1l1oll1
0(1
0 )
"
"
,,,
SO
L£IO(lI
O
"
CI
RC
U
IT
SHO
WN
WITH
P'(IWut
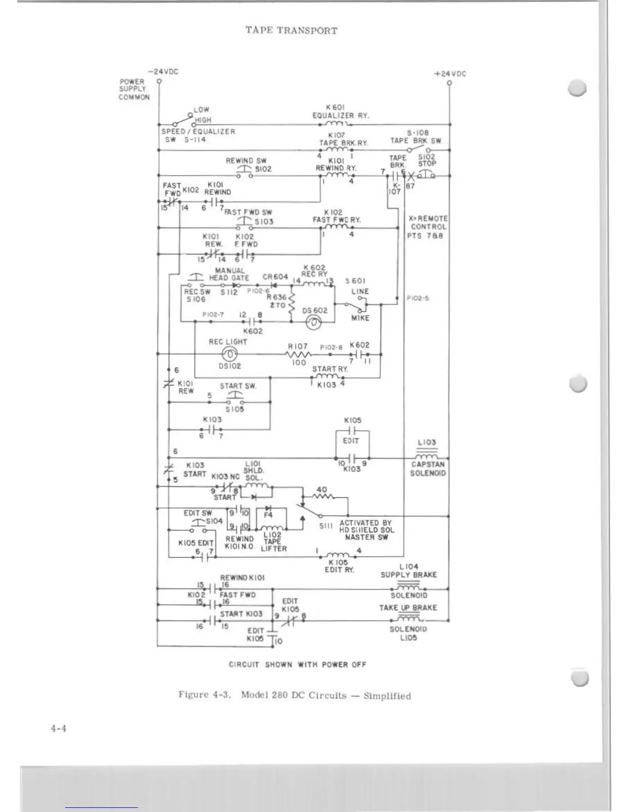
Fig\lrc
4-3.
M
odel
280
DC
_
Simplified