EasyManua.ls Logo

Sears 917.253721 - Page 26

Sears 917.253721
37 pages
Print Icon
To Next Page IconTo Next Page
To Next Page IconTo Next Page
To Previous Page IconTo Previous Page
To Previous Page IconTo Previous Page
Loading...
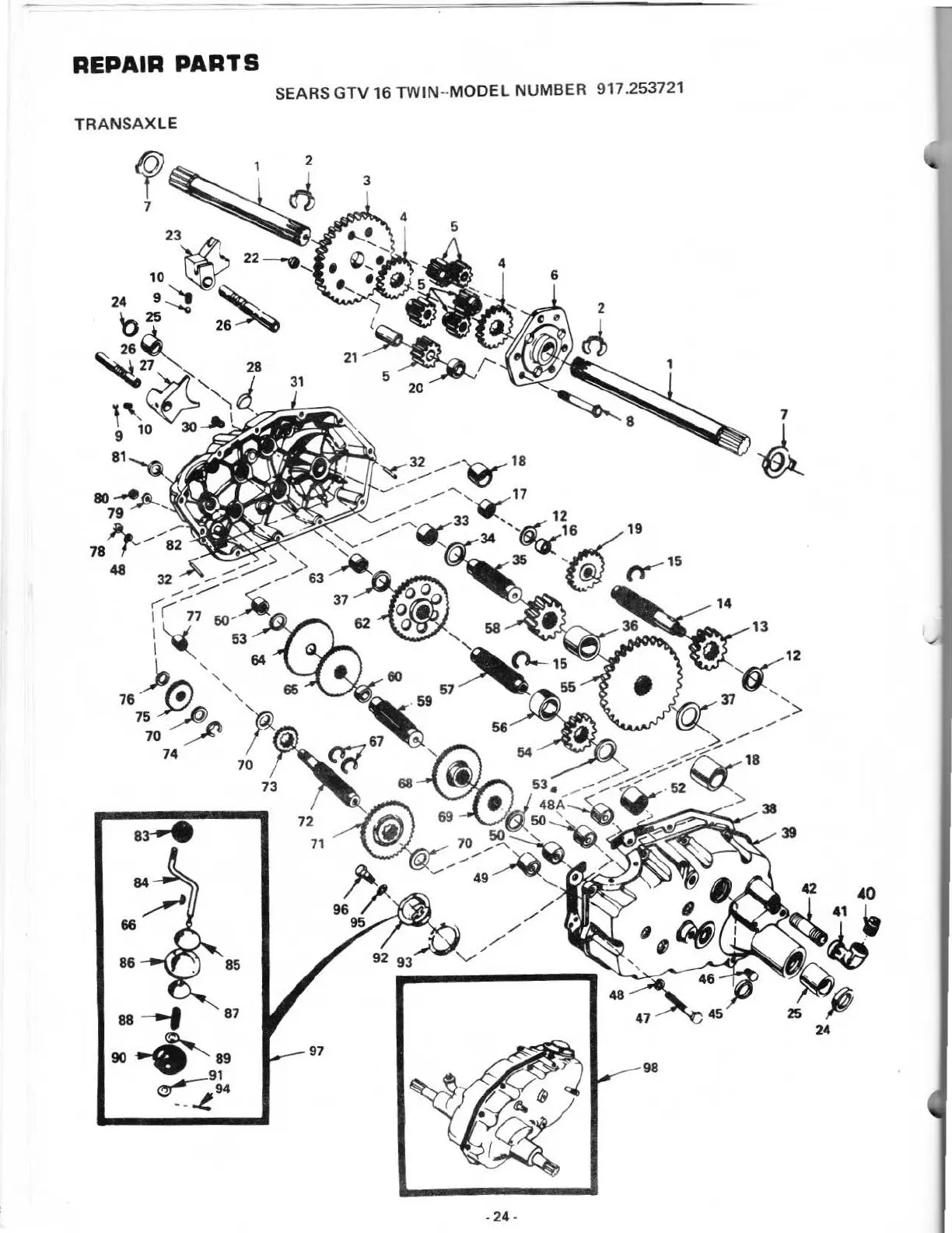
REPAIR
PARTS
TRANSAXLE
7
V
1
6
TWIN
--
MODEL
SEARS
GT
NUMBER 917.253721
10
··~~
22
--.
........
24
9
~
~
25 26
~~~
28
~·~
',--.d
31
,,
~_,.
9 10
81
8~
66
86
___.
87
88
~,
~'89
90
,..,
91
~94
-
-
~
v
97
/
/
/
/
/
-2
4 -
7
~
13
42
24
another free manual from www.searstractormanuals.com

Related product manuals