EasyManua.ls Logo

Sennheiser ASP 1 - Page 2

Sennheiser ASP 1
Print Icon
To Next Page IconTo Next Page
To Next Page IconTo Next Page
To Previous Page IconTo Previous Page
To Previous Page IconTo Previous Page
Loading...
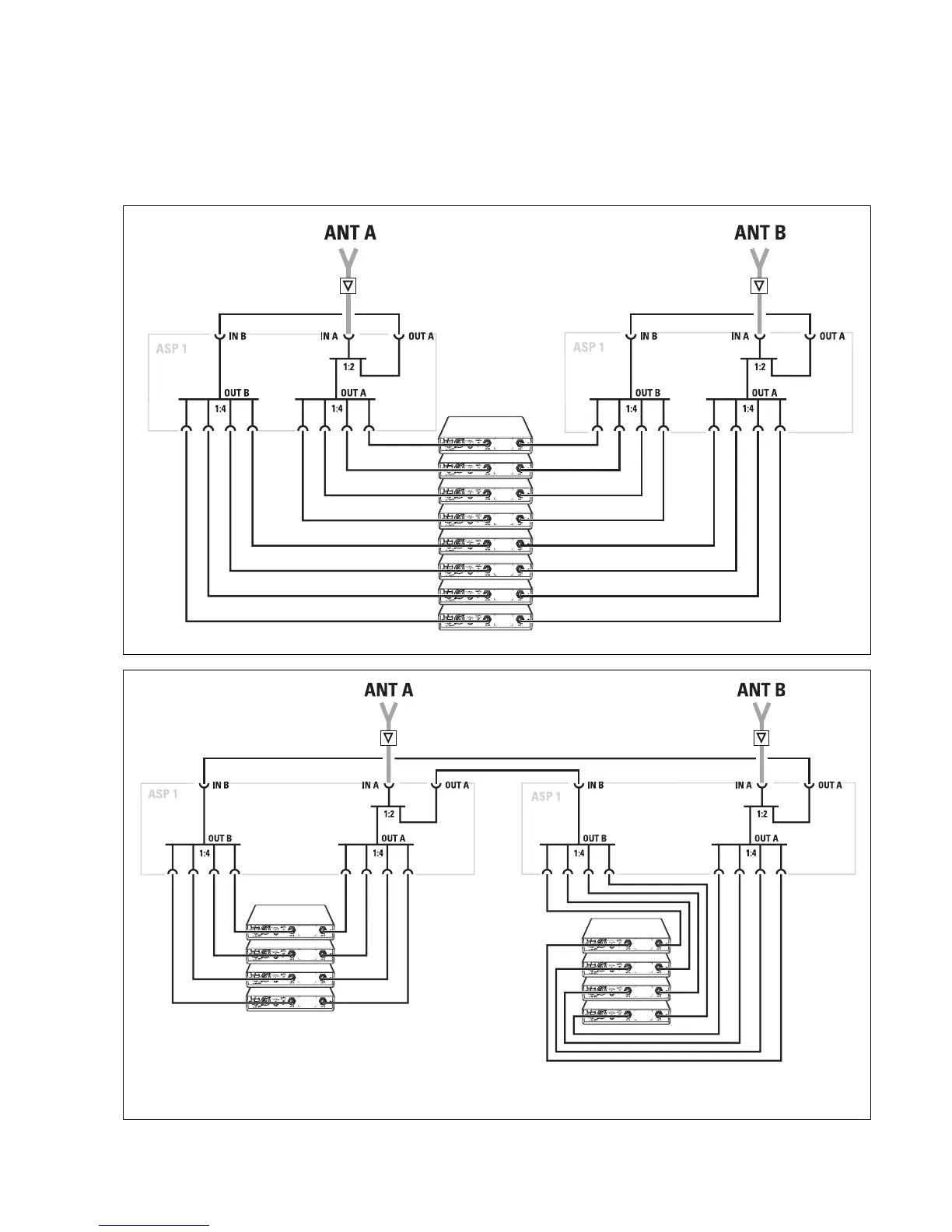
Anwendungsbeispiel
Zusammenschalten von zwei Antennensplittern ASP 1 zu einem
1 auf 8 Diversity-Splitter.
Zwei Antennen versorgen eine 8-Kanal-Anlage
Zusammenschaltung von zwei 4-Kanal-Anlagen

Related product manuals