EasyManua.ls Logo

Sennheiser ASP 1 - Page 4

Sennheiser ASP 1
Print Icon
To Next Page IconTo Next Page
To Next Page IconTo Next Page
To Previous Page IconTo Previous Page
To Previous Page IconTo Previous Page
Loading...
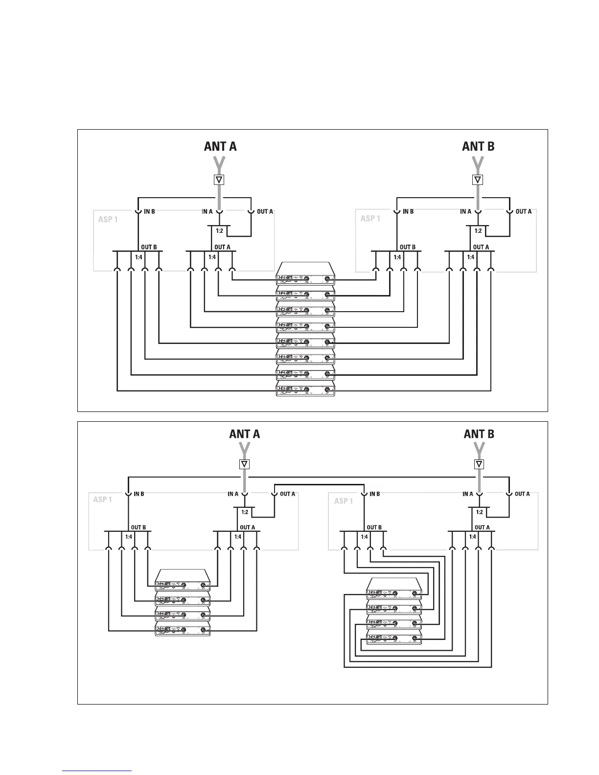
Application example
Two ASP 1 antenna splitters can be used to make an 8-way
diversity split.
Dia. 2: Connections for an 8-channel system (DC connections, not shown here, as per dia. 1)
Dia. 3: Linking two 4-channel systems (DC connections, not shown here, as per dia. 1)

Related product manuals