EasyManua.ls Logo

Sennheiser ASP 1 - Page 8

Sennheiser ASP 1
Print Icon
To Next Page IconTo Next Page
To Next Page IconTo Next Page
To Previous Page IconTo Previous Page
To Previous Page IconTo Previous Page
Loading...
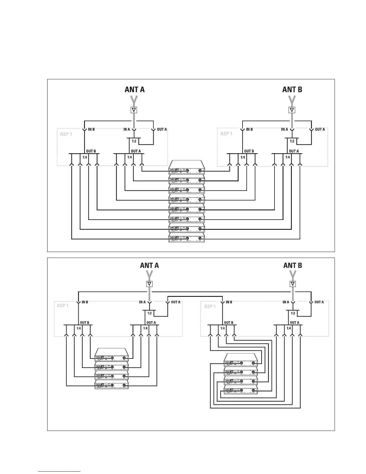
Esempio di applicazione
Utilizzando 2 ASP 1 si ottiene un divisore 1 in 8
Impianto a 8 canali in diversity con 2 amplificatori e 2 antenne.
Collegamento di 2 impianti a 4 canali in diversity a 2 amplificatori e 2 antenne.

Related product manuals