EasyManua.ls Logo

Sennheiser RV 55 - Page 4

Sennheiser RV 55
7 pages
Print Icon
To Next Page IconTo Next Page
To Next Page IconTo Next Page
To Previous Page IconTo Previous Page
To Previous Page IconTo Previous Page
Loading...
~
Rö1
EF184
Rö2
PCCSB
Re4
PCC88
3
EF1B4
2
PCCSB
RV5S-B'
,'----
R'55-81 --- --.
1 ----
- ~--_.-
1155">'[
~J\
m
~~
\1k 11251'1
S1
R22
m
~L!..
O,fp
Eingang
Du5
in
HeuenlEI!!>.!'n ii
R23
680
~-
--------
e,'1 O,1p
1-----
"'V
i
---------
Ze1
Netz
S1
I
c~
Si bvi 125 V
O,5A/m/.
125V
I
I
I
--_J
Si
-E3--
OJAmf..
220V
- - --.J
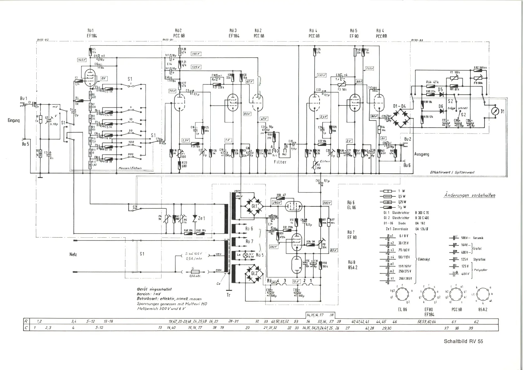
acral vingeschattef
Bereich.- 1", V
8etriebsart: cffekfi., schnell, meuen
Spannungen gemessen md fvfultavi HO
fvfeßbereich 300 V und 6 V
Tr
R
C
19,.7, 20-23,i,.g,2., 25,49 26,27 28-31
#,40 15,16, 17 18 19
i'
4-
5-12 13-18
5-12
1L-
1 2,3
20
32 33 63,5IJ,51,9 53
21,31,32 22 33
13
5
EFBO
Re4
PCr8B RV55-~ - - - - - -l
T !I
,--- - --
6
ELB6
7
EFBO
8
8SA2
.-.J
--c:I:J- 1 W
--e::::J-0,\W
;:e- o,2\W
~1/3W
GI1 Gleichrichter
Gll GLeIChrichter
01-06 Oiode
Zel Zenerdiode
~6/8V
~ 30/3\V
~ 1O/80V
~'00/11QV
~ 15C!f65V
-.lpl- 1\0/17\V
IJ-.!!!.. 3\0/38\1
f I
k9J
O
°
gl
g2
EL86
4i?.~4-1,43 44,45 46
27 !,2 28 29,30
Ausgang
Effektivwert I Spitzen wert
Anderungen yorbeha/len
8 JOOC70
830 C1.00
OA181
OA11.18
EieI<trolyt
-1F- \00 V- Keramik
-1f!- 160V-
}
Erolol
-jJ!- 400V-
-jF- 11\V Styrofler
-jJE- 11\V
}
Polyes'er
-I~ 400V
k
O
lf"
gl 92
k g3
I I 01
k1
0
g1
91 ,I
a1 ,
,-,.'
0
',
, "'
k
EFBO
EF184
58,59,6064
pcrBB BSA2
61
37 38
62
39
Schaltbild RV 55

Related product manuals