EasyManua.ls Logo

SEVERIN FKS 8839 - Page 96

SEVERIN FKS 8839
Print Icon
To Next Page IconTo Next Page
To Next Page IconTo Next Page
To Previous Page IconTo Previous Page
To Previous Page IconTo Previous Page
Loading...
96
142 x 208 mm
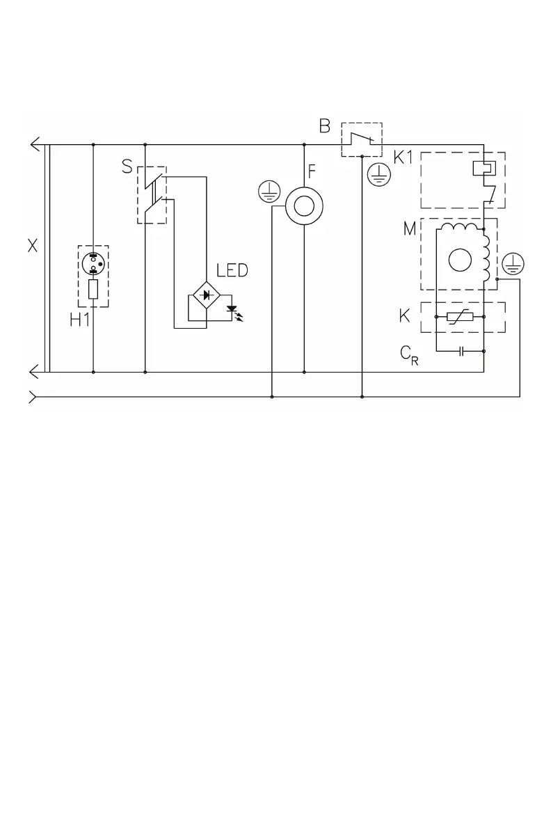
Schaltplan / Circuit diagramm

Related product manuals